NJ217ECM轴承
			 NJ217ECM轴承(内径:85 外径:150厚度:28的圆柱滚子轴承),NJ217ECM轴承是苏州凯诺永晟提供的SKF品牌轴承,
			 此外我公司还为您推荐各种国产、其他进口品牌替换NJ217ECM轴承。公司承载着“以质量为本,服务为路线”的道路深得各机械行业公司的信任!
			 更多高转速、高载荷等适用于极限环境的轴承库存现货,请致电“0512-57922999”咨询!
		   
		  
  | 圆柱滚子轴承, 单列, NJ 设计 | ||||||||||||
| 公差 , 参见文字 | ||||||||||||
| 径向内部间隙, 圆柱型内孔 , 圆锥型内孔, 无密封件 , 参见文字 | ||||||||||||
| 推荐配合 | ||||||||||||
| 轴和轴承座公差 | ||||||||||||
|   | ||||||||||||
| 主要数据尺寸 | 基本负荷额定值 | 疲劳负荷限值 | 额定速度 | 体积 | 型号 | 适宜的斜挡圈 | ||||||
| 动态 | 静态 | 参照速度 | 限制速度 | 型号 | ||||||||
| d | D | B | C | C0 | Pu | * - SKF Explorer 轴承 | ||||||
|   | ||||||||||||
| mm | kN | kN | r/min | kg | - | - | ||||||
|   | ||||||||||||
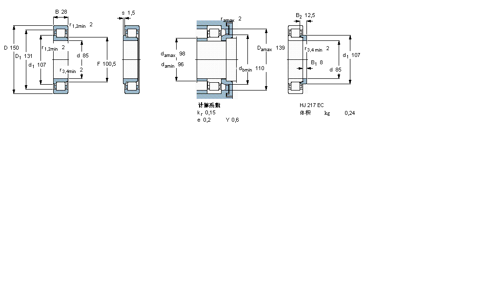
| 85 | 150 | 28 | 190 | 200 | 24,5 | 4800 | 5300 | 2,15 | NJ 217 ECM * | HJ 217 EC | ||
此轴承 样本图纸
同品牌推荐
轴承广泛应用于:机床接杆 直流焊机 污水处理设备 石材机械 渔业机械 跳线机 吹膜机 纺机与配件 强度试验机 冶炼设备 补鞋机 离心泵 结帮机 检验分析设备 脚踏焊机 等领域。

