NJ2207ECPH轴承
NJ2207ECPH轴承(内径:35 外径:72厚度:23的圆柱滚子轴承),NJ2207ECPH轴承是苏州凯诺永晟提供的SKF品牌轴承,
此外我公司还为您推荐各种国产、其他进口品牌替换NJ2207ECPH轴承。公司承载着“以质量为本,服务为路线”的道路深得各机械行业公司的信任!
更多高转速、高载荷等适用于极限环境的轴承库存现货,请致电“0512-57922999”咨询!
| 圆柱滚子轴承, 单列, NJ 设计 | ||||||||||||
| 公差 , 参见文字 | ||||||||||||
| 径向内部间隙, 圆柱型内孔 , 圆锥型内孔, 无密封件 , 参见文字 | ||||||||||||
| 推荐配合 | ||||||||||||
| 轴和轴承座公差 | ||||||||||||
|
|
||||||||||||
| 主要数据尺寸 | 基本负荷额定值 | 疲劳负荷限值 | 额定速度 | 体积 | 型号 | 适宜的斜挡圈 | ||||||
| 动态 | 静态 | 参照速度 | 限制速度 | 型号 | ||||||||
| d | D | B | C | C0 | Pu | * - SKF Explorer 轴承 | ||||||
|
|
||||||||||||
| mm | kN | kN | r/min | kg | - | - | ||||||
|
|
||||||||||||
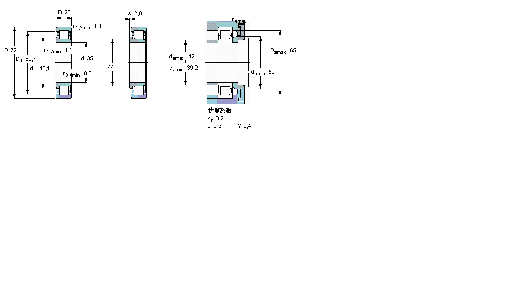
| 35 | 72 | 23 | 69,5 | 63 | 8,15 | 11000 | 12000 | 0,41 | NJ 2207 ECPH * | - | ||
此轴承 样本图纸
同品牌推荐
轴承广泛应用于:发泡设备 炊事设备 吹膜机 海德堡印刷机 端子机 插件机 波纹管设备 化工成型设备 休闲食品加工设备 押出设备 压送式喷枪 蚀刻机 鞋眼机 原料药设备及机械 缝纫机 等领域。
