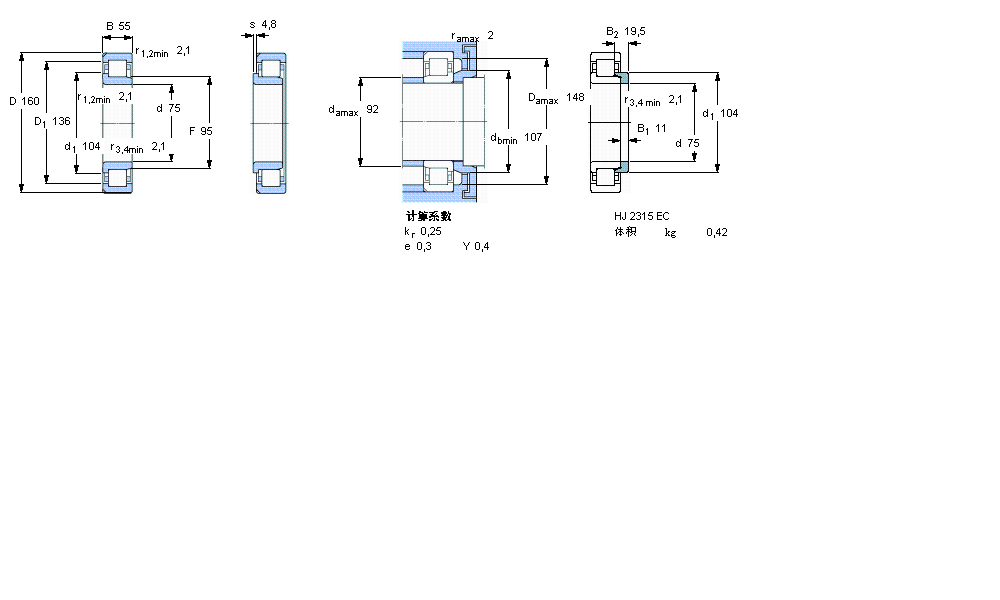
NJ2315ECN2ML轴承
			 NJ2315ECN2ML轴承(内径:75 外径:160厚度:55的圆柱滚子轴承),NJ2315ECN2ML轴承是苏州凯诺永晟提供的SKF品牌轴承,
			 此外我公司还为您推荐各种国产、其他进口品牌替换NJ2315ECN2ML轴承。公司承载着“以质量为本,服务为路线”的道路深得各机械行业公司的信任!
			 更多高转速、高载荷等适用于极限环境的轴承库存现货,请致电“0512-57922999”咨询!
		   
		  
  | 圆柱滚子轴承, 单列, NJ 设计, 于外圈的两个带定位槽 | ||||||||||||
| 公差 , 参见文字 | ||||||||||||
| 径向内部间隙, 圆柱型内孔 , 圆锥型内孔, 无密封件 , 参见文字 | ||||||||||||
| 推荐配合 | ||||||||||||
| 轴和轴承座公差 | ||||||||||||
|   | ||||||||||||
| 主要数据尺寸 | 基本负荷额定值 | 疲劳负荷限值 | 额定速度 | 体积 | 型号 | 适宜的斜挡圈 | ||||||
| 动态 | 静态 | 参照速度 | 限制速度 | 型号 | ||||||||
| d | D | B | C | C0 | Pu | * - SKF Explorer 轴承 | ||||||
|   | ||||||||||||
| mm | kN | kN | r/min | kg | - | - | ||||||
|   | ||||||||||||
| 75 | 160 | 55 | 380 | 400 | 50 | 4500 | 8000 | 5,40 | NJ 2315 ECN2ML * | HJ 2315 EC | ||
此轴承 样本图纸
同品牌推荐
轴承广泛应用于:电子元件成型机 永磁吸盘 强度试验机 发泡设备 注塑机 高压反应釜 滚齿机 平版印刷机 锻压机床 洗脱两用机 矿业测量仪器 粉碎设备配件 动压导轨 手柄套、手柄座 振动试验机 等领域。

