NJ306ECJ轴承
			 NJ306ECJ轴承(内径:30 外径:72厚度:19的圆柱滚子轴承),NJ306ECJ轴承是苏州凯诺永晟提供的SKF品牌轴承,
			 此外我公司还为您推荐各种国产、其他进口品牌替换NJ306ECJ轴承。公司承载着“以质量为本,服务为路线”的道路深得各机械行业公司的信任!
			 更多高转速、高载荷等适用于极限环境的轴承库存现货,请致电“0512-57922999”咨询!
		   
		  
  | 圆柱滚子轴承, 单列, NJ 设计 | ||||||||||||
| 公差 , 参见文字 | ||||||||||||
| 径向内部间隙, 圆柱型内孔 , 圆锥型内孔, 无密封件 , 参见文字 | ||||||||||||
| 推荐配合 | ||||||||||||
| 轴和轴承座公差 | ||||||||||||
|   | ||||||||||||
| 主要数据尺寸 | 基本负荷额定值 | 疲劳负荷限值 | 额定速度 | 体积 | 型号 | 适宜的斜挡圈 | ||||||
| 动态 | 静态 | 参照速度 | 限制速度 | 型号 | ||||||||
| d | D | B | C | C0 | Pu | * - SKF Explorer 轴承 | ||||||
|   | ||||||||||||
| mm | kN | kN | r/min | kg | - | - | ||||||
|   | ||||||||||||
| 30 | 72 | 19 | 58,5 | 48 | 6,2 | 11000 | 12000 | 0,41 | NJ 306 ECJ * | HJ 306 EC | ||
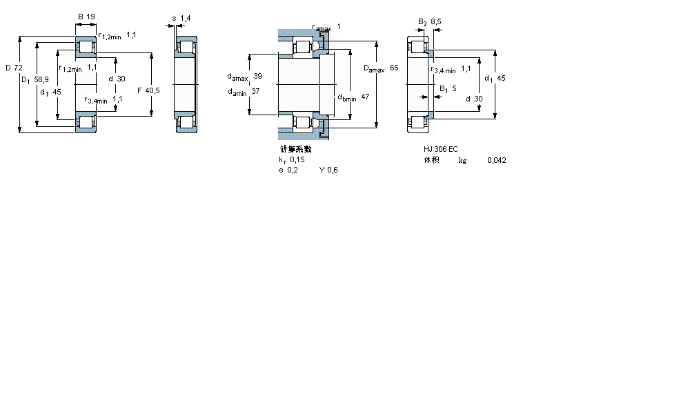
此轴承 样本图纸
同品牌推荐
轴承广泛应用于:电磁吸盘 塑焊机 柱塞泵 编织机 法兰盘 挤水机 咖啡店设备 针轮减速机 花边机 模切机 集装机械 压烫机 食品杀菌设备 粮食加工设备 兽用器械 等领域。

