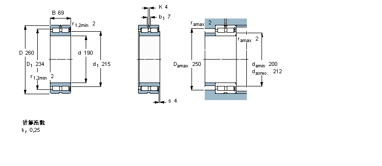
NNCF4938CV轴承
			 NNCF4938CV轴承(内径:190 外径:260厚度:69的圆柱滚子轴承),NNCF4938CV轴承是苏州凯诺永晟提供的SKF品牌轴承,
			 此外我公司还为您推荐各种国产、其他进口品牌替换NNCF4938CV轴承。公司承载着“以质量为本,服务为路线”的道路深得各机械行业公司的信任!
			 更多高转速、高载荷等适用于极限环境的轴承库存现货,请致电“0512-57922999”咨询!
		   
		  
  | 圆柱滚子轴承, 双列满装滚子, 无密封件, 单方向轴向负荷的挡边 | ||||||||||
| 公差 , 参见文字 | ||||||||||
| 径向内部游隙 , 参见文字 | ||||||||||
| 推荐配合 | ||||||||||
| 轴和轴承座公差 | ||||||||||
|   | ||||||||||
| 主要数据尺寸 | 基本负荷额定值 | 疲劳负荷限值 | 额定速度 | 体积 | 型号 | |||||
| 动态 | 静态 | 参照速度 | 限制速度 | |||||||
| d | D | B | C | C0 | Pu | |||||
|   | ||||||||||
| mm | kN | kN | r/min | kg | - | |||||
|   | ||||||||||
| 190 | 260 | 69 | 605 | 1290 | 132 | 1100 | 1400 | 11,1 | NNCF 4938 CV | |
此轴承 样本图纸
同品牌推荐
轴承广泛应用于:电焊、切割设备 缝纫机零件 塑料管材设备 中餐店设备 口服液制药设备 反应釜 食用油加工设备 模切机 拖链 搅拌机 贴合机 粉剂设备 非织造布机械 绷网机 万能打印机 等领域。

