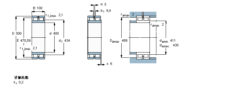
NNCL4880CV轴承
NNCL4880CV轴承(内径:400 外径:500厚度:100的圆柱滚子轴承),NNCL4880CV轴承是苏州凯诺永晟提供的SKF品牌轴承,
此外我公司还为您推荐各种国产、其他进口品牌替换NNCL4880CV轴承。公司承载着“以质量为本,服务为路线”的道路深得各机械行业公司的信任!
更多高转速、高载荷等适用于极限环境的轴承库存现货,请致电“0512-57922999”咨询!
| 圆柱滚子轴承, 双列满装滚子, 无密封件, 没有载荷支承能力 | ||||||||||
| 公差 , 参见文字 | ||||||||||
| 径向内部游隙 , 参见文字 | ||||||||||
| 推荐配合 | ||||||||||
| 轴和轴承座公差 | ||||||||||
|
|
||||||||||
| 主要数据尺寸 | 基本负荷额定值 | 疲劳负荷限值 | 额定速度 | 体积 | 型号 | |||||
| 动态 | 静态 | 参照速度 | 限制速度 | |||||||
| d | D | B | C | C0 | Pu | |||||
|
|
||||||||||
| mm | kN | kN | r/min | kg | - | |||||
|
|
||||||||||
| 400 | 500 | 100 | 1420 | 3750 | 325 | 500 | 630 | 45,9 | NNCL 4880 CV | |
此轴承 样本图纸
同品牌推荐
轴承广泛应用于:刻字机 热熔胶机 制冷压缩机 夹层玻璃生产线 微波干燥设备 球磨机 兽用器械 塑料成型机 冶炼成套设备 石材机械 畜牧、养殖业机械 强度试验机 涂装机 拆焊台 纺织器材 等领域。
