NNCL4964CV轴承
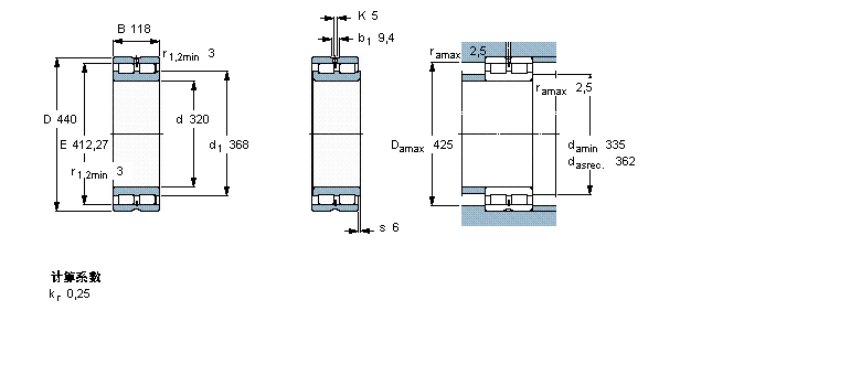
NNCL4964CV轴承(内径:320 外径:440厚度:118的圆柱滚子轴承),NNCL4964CV轴承是苏州凯诺永晟提供的SKF品牌轴承,
此外我公司还为您推荐各种国产、其他进口品牌替换NNCL4964CV轴承。公司承载着“以质量为本,服务为路线”的道路深得各机械行业公司的信任!
更多高转速、高载荷等适用于极限环境的轴承库存现货,请致电“0512-57922999”咨询!
| 圆柱滚子轴承, 双列满装滚子, 无密封件, 没有载荷支承能力 | ||||||||||
| 公差 , 参见文字 | ||||||||||
| 径向内部游隙 , 参见文字 | ||||||||||
| 推荐配合 | ||||||||||
| 轴和轴承座公差 | ||||||||||
|
|
||||||||||
| 主要数据尺寸 | 基本负荷额定值 | 疲劳负荷限值 | 额定速度 | 体积 | 型号 | |||||
| 动态 | 静态 | 参照速度 | 限制速度 | |||||||
| d | D | B | C | C0 | Pu | |||||
|
|
||||||||||
| mm | kN | kN | r/min | kg | - | |||||
|
|
||||||||||
| 320 | 440 | 118 | 1760 | 4050 | 375 | 600 | 750 | 55,0 | NNCL 4964 CV | |
此轴承 样本图纸
同品牌推荐
轴承广泛应用于:不阻塞泵 石材机械 橡胶成型机 食品药品包装机 压送式喷枪 带式干燥设备 非织造布机械 间壁式换热器 滚丝机 打样机 热风炉 茶餐厅设备 饮料生产设备 热转印设备 家用缝纫机 等领域。
