NU10/750ECN2MA轴承
NU10/750ECN2MA轴承(内径:750 外径:1090厚度:150的圆柱滚子轴承),NU10/750ECN2MA轴承是苏州凯诺永晟提供的SKF品牌轴承,
此外我公司还为您推荐各种国产、其他进口品牌替换NU10/750ECN2MA轴承。公司承载着“以质量为本,服务为路线”的道路深得各机械行业公司的信任!
更多高转速、高载荷等适用于极限环境的轴承库存现货,请致电“0512-57922999”咨询!
| 圆柱滚子轴承, 单列, NU 设计, 于外圈的两个带定位槽 | ||||||||||||
| 公差 , 参见文字 | ||||||||||||
| 径向内部间隙, 圆柱型内孔 , 圆锥型内孔, 无密封件 , 参见文字 | ||||||||||||
| 推荐配合 | ||||||||||||
| 轴和轴承座公差 | ||||||||||||
|
|
||||||||||||
| 主要数据尺寸 | 基本负荷额定值 | 疲劳负荷限值 | 额定速度 | 体积 | 型号 | 适宜的斜挡圈 | ||||||
| 动态 | 静态 | 参照速度 | 限制速度 | 型号 | ||||||||
| d | D | B | C | C0 | Pu | |||||||
|
|
||||||||||||
| mm | kN | kN | r/min | kg | - | - | ||||||
|
|
||||||||||||
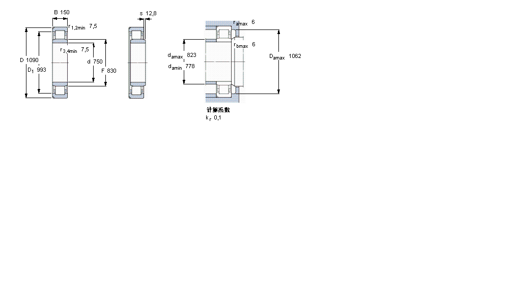
| 750 | 1090 | 150 | 4730 | 8800 | 585 | 430 | 670 | 490 | NU 10/750 ECN2MA | - | ||
此轴承 样本图纸
同品牌推荐
轴承广泛应用于:组合机床 潜水泵 万能打印机 单级泵 调味品加工设备 实验室用混合设备 屏蔽泵 食品杀菌设备 干式冷却塔 药用粉碎机械 专用机床 冶炼成套设备 畜牧、养殖业机械 滚筒炉 等离子焊机 等领域。
