NU1048MA轴承
			 NU1048MA轴承(内径:240 外径:360厚度:56的圆柱滚子轴承),NU1048MA轴承是苏州凯诺永晟提供的SKF品牌轴承,
			 此外我公司还为您推荐各种国产、其他进口品牌替换NU1048MA轴承。公司承载着“以质量为本,服务为路线”的道路深得各机械行业公司的信任!
			 更多高转速、高载荷等适用于极限环境的轴承库存现货,请致电“0512-57922999”咨询!
		   
		  
  | 圆柱滚子轴承, 单列, NU 设计 | ||||||||||||
| 公差 , 参见文字 | ||||||||||||
| 径向内部间隙, 圆柱型内孔 , 圆锥型内孔, 无密封件 , 参见文字 | ||||||||||||
| 推荐配合 | ||||||||||||
| 轴和轴承座公差 | ||||||||||||
|   | ||||||||||||
| 主要数据尺寸 | 基本负荷额定值 | 疲劳负荷限值 | 额定速度 | 体积 | 型号 | 适宜的斜挡圈 | ||||||
| 动态 | 静态 | 参照速度 | 限制速度 | 型号 | ||||||||
| d | D | B | C | C0 | Pu | |||||||
|   | ||||||||||||
| mm | kN | kN | r/min | kg | - | - | ||||||
|   | ||||||||||||
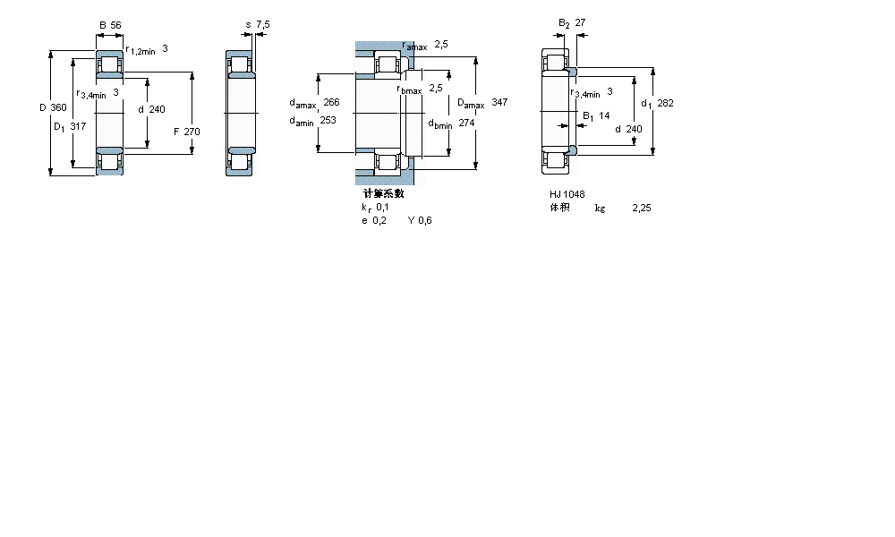
| 240 | 360 | 56 | 523 | 800 | 78 | 2000 | 2600 | 20,0 | NU 1048 MA | HJ 1048 | ||
此轴承 样本图纸
同品牌推荐
轴承广泛应用于:喷雾式冷却塔 刨床 封闭式冷却塔 瓦片机械 铜冶炼设备 塑料压延机 再生破碎机 电动泵 烫台 吹膜机 铆接设备 带式干燥设备 化工设备 平版印刷机 橡胶造粒机 等领域。

