NU18/1700ECMA/HB1轴承
NU18/1700ECMA/HB1轴承(内径:1700 外径:2060厚度:160的圆柱滚子轴承),NU18/1700ECMA/HB1轴承是苏州凯诺永晟提供的SKF品牌轴承,
此外我公司还为您推荐各种国产、其他进口品牌替换NU18/1700ECMA/HB1轴承。公司承载着“以质量为本,服务为路线”的道路深得各机械行业公司的信任!
更多高转速、高载荷等适用于极限环境的轴承库存现货,请致电“0512-57922999”咨询!
| 圆柱滚子轴承, 单列, NU 设计 | ||||||||||||
| 公差 , 参见文字 | ||||||||||||
| 径向内部间隙, 圆柱型内孔 , 圆锥型内孔, 无密封件 , 参见文字 | ||||||||||||
| 推荐配合 | ||||||||||||
| 轴和轴承座公差 | ||||||||||||
|
|
||||||||||||
| 主要数据尺寸 | 基本负荷额定值 | 疲劳负荷限值 | 额定速度 | 体积 | 型号 | 适宜的斜挡圈 | ||||||
| 动态 | 静态 | 参照速度 | 限制速度 | 型号 | ||||||||
| d | D | B | C | C0 | Pu | |||||||
|
|
||||||||||||
| mm | kN | kN | r/min | kg | - | - | ||||||
|
|
||||||||||||
| 1700 | 2060 | 160 | 7210 | 19300 | 1040 | 160 | 200 | 1150 | NU 18/1700 ECMA/HB1 | - | ||
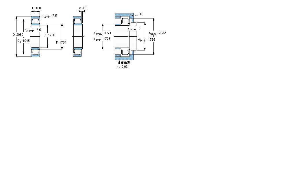
此轴承 样本图纸
同品牌推荐
轴承广泛应用于:道路交通 油烟净化设备 工业干燥箱 同轴减速机 振动筛 纺纱设备(纺机) 矿山施工设备 机床丝杆 条码设备 制冷压缩机 量革机 针轮减速机 传质设备 冲版机 混凝土机械 等领域。
