NU2217ECP轴承
NU2217ECP轴承(内径:85 外径:150厚度:36的圆柱滚子轴承),NU2217ECP轴承是苏州凯诺永晟提供的SKF品牌轴承,
此外我公司还为您推荐各种国产、其他进口品牌替换NU2217ECP轴承。公司承载着“以质量为本,服务为路线”的道路深得各机械行业公司的信任!
更多高转速、高载荷等适用于极限环境的轴承库存现货,请致电“0512-57922999”咨询!
| 圆柱滚子轴承, 单列, NU 设计 | ||||||||||||
| 公差 , 参见文字 | ||||||||||||
| 径向内部间隙, 圆柱型内孔 , 圆锥型内孔, 无密封件 , 参见文字 | ||||||||||||
| 推荐配合 | ||||||||||||
| 轴和轴承座公差 | ||||||||||||
|
|
||||||||||||
| 主要数据尺寸 | 基本负荷额定值 | 疲劳负荷限值 | 额定速度 | 体积 | 型号 | 适宜的斜挡圈 | ||||||
| 动态 | 静态 | 参照速度 | 限制速度 | 型号 | ||||||||
| d | D | B | C | C0 | Pu | * - SKF Explorer 轴承 | ||||||
|
|
||||||||||||
| mm | kN | kN | r/min | kg | - | - | ||||||
|
|
||||||||||||
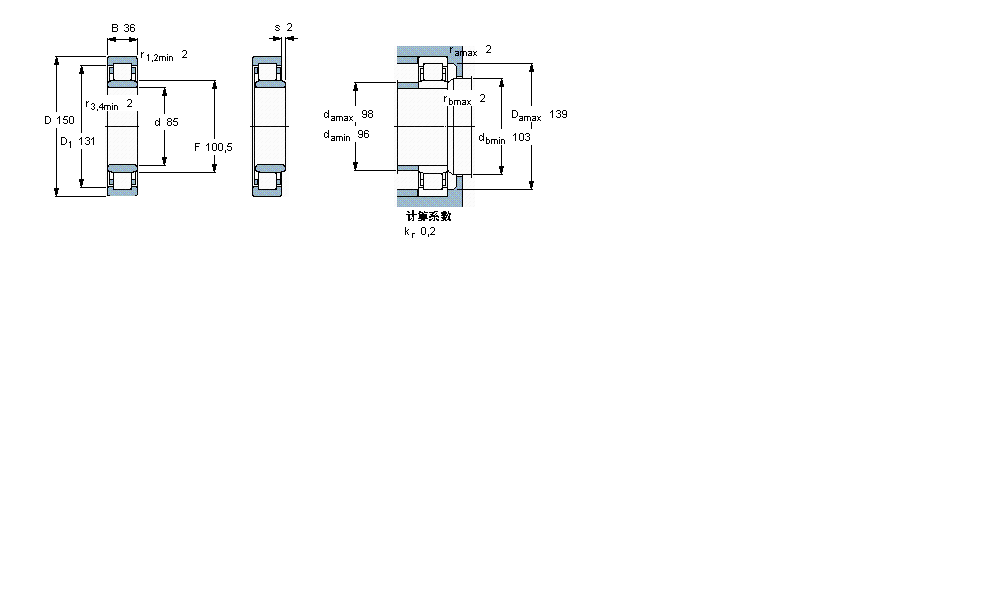
| 85 | 150 | 36 | 250 | 280 | 34,5 | 4800 | 5300 | 2,45 | NU 2217 ECP * | - | ||
此轴承 样本图纸
同品牌推荐
轴承广泛应用于:逆流式冷却塔 搅拌机 编织机 铸造设备 隔音、吸声材料 轧钢设备 化工混合设备 填料塔 直流焊机 槽式反应器 金属焊机 缝后设备 针轮减速机 塑料混色机 微波干燥设备 等领域。
