NU2316ECML轴承
NU2316ECML轴承(内径:80 外径:170厚度:58的圆柱滚子轴承),NU2316ECML轴承是苏州凯诺永晟提供的SKF品牌轴承,
此外我公司还为您推荐各种国产、其他进口品牌替换NU2316ECML轴承。公司承载着“以质量为本,服务为路线”的道路深得各机械行业公司的信任!
更多高转速、高载荷等适用于极限环境的轴承库存现货,请致电“0512-57922999”咨询!
| 圆柱滚子轴承, 单列, NU 设计 | ||||||||||||
| 公差 , 参见文字 | ||||||||||||
| 径向内部间隙, 圆柱型内孔 , 圆锥型内孔, 无密封件 , 参见文字 | ||||||||||||
| 推荐配合 | ||||||||||||
| 轴和轴承座公差 | ||||||||||||
|
|
||||||||||||
| 主要数据尺寸 | 基本负荷额定值 | 疲劳负荷限值 | 额定速度 | 体积 | 型号 | 适宜的斜挡圈 | ||||||
| 动态 | 静态 | 参照速度 | 限制速度 | 型号 | ||||||||
| d | D | B | C | C0 | Pu | * - SKF Explorer 轴承 | ||||||
|
|
||||||||||||
| mm | kN | kN | r/min | kg | - | - | ||||||
|
|
||||||||||||
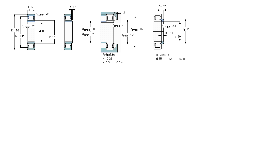
| 80 | 170 | 58 | 415 | 440 | 55 | 4300 | 7500 | 6,50 | NU 2316 ECML * | HJ 2316 EC | ||
此轴承 样本图纸
同品牌推荐
轴承广泛应用于:打包机械 塑料造粒机 固废处理设备 塑料编织机 卧式减速机 棉麻毛初加工设备 玻璃打孔机 压焊机 焊锡机 压片机 缝纫机零件 鞋眼机 塑料压延机 闪蒸干燥机 机床减震装置 等领域。
