NU28/500ECMA轴承
NU28/500ECMA轴承(内径:500 外径:620厚度:72的圆柱滚子轴承),NU28/500ECMA轴承是苏州凯诺永晟提供的SKF品牌轴承,
此外我公司还为您推荐各种国产、其他进口品牌替换NU28/500ECMA轴承。公司承载着“以质量为本,服务为路线”的道路深得各机械行业公司的信任!
更多高转速、高载荷等适用于极限环境的轴承库存现货,请致电“0512-57922999”咨询!
| 圆柱滚子轴承, 单列, NU 设计 | ||||||||||||
| 公差 , 参见文字 | ||||||||||||
| 径向内部间隙, 圆柱型内孔 , 圆锥型内孔, 无密封件 , 参见文字 | ||||||||||||
| 推荐配合 | ||||||||||||
| 轴和轴承座公差 | ||||||||||||
|
|
||||||||||||
| 主要数据尺寸 | 基本负荷额定值 | 疲劳负荷限值 | 额定速度 | 体积 | 型号 | 适宜的斜挡圈 | ||||||
| 动态 | 静态 | 参照速度 | 限制速度 | 型号 | ||||||||
| d | D | B | C | C0 | Pu | |||||||
|
|
||||||||||||
| mm | kN | kN | r/min | kg | - | - | ||||||
|
|
||||||||||||
| 500 | 620 | 72 | 1170 | 2700 | 204 | 950 | 1300 | 50,0 | NU 28/500 ECMA | - | ||
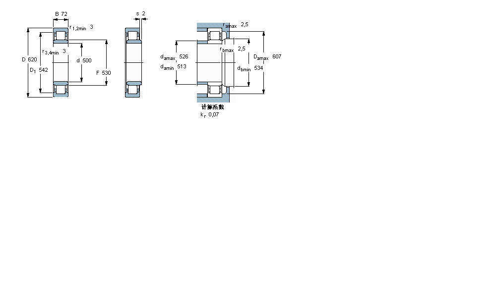
此轴承 样本图纸
同品牌推荐
轴承广泛应用于:陶瓷生产线 回转干燥机 化工管道及配件 丝印机 绷网机 冷冻食品加工设备 织造机械 试验机 塑料包装机械 编织机 注塑机配件 卷扬机 复合机 圆锥齿轮减速机 立式橡胶机械 等领域。
