NU2888ECMA轴承
NU2888ECMA轴承(内径:440 外径:540厚度:60的圆柱滚子轴承),NU2888ECMA轴承是苏州凯诺永晟提供的SKF品牌轴承,
此外我公司还为您推荐各种国产、其他进口品牌替换NU2888ECMA轴承。公司承载着“以质量为本,服务为路线”的道路深得各机械行业公司的信任!
更多高转速、高载荷等适用于极限环境的轴承库存现货,请致电“0512-57922999”咨询!
| 圆柱滚子轴承, 单列, NU 设计 | ||||||||||||
| 公差 , 参见文字 | ||||||||||||
| 径向内部间隙, 圆柱型内孔 , 圆锥型内孔, 无密封件 , 参见文字 | ||||||||||||
| 推荐配合 | ||||||||||||
| 轴和轴承座公差 | ||||||||||||
|
|
||||||||||||
| 主要数据尺寸 | 基本负荷额定值 | 疲劳负荷限值 | 额定速度 | 体积 | 型号 | 适宜的斜挡圈 | ||||||
| 动态 | 静态 | 参照速度 | 限制速度 | 型号 | ||||||||
| d | D | B | C | C0 | Pu | |||||||
|
|
||||||||||||
| mm | kN | kN | r/min | kg | - | - | ||||||
|
|
||||||||||||
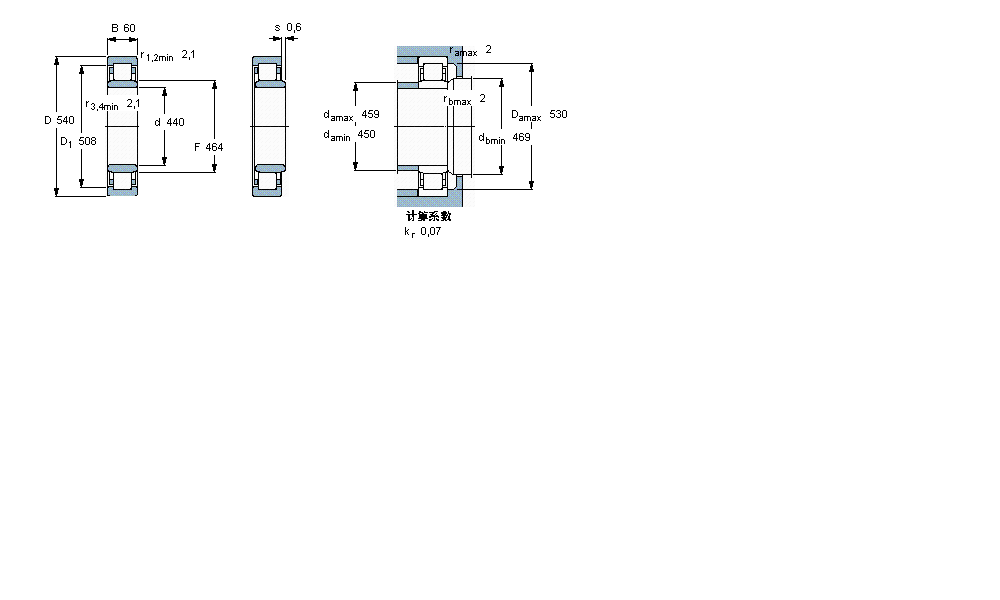
| 440 | 540 | 60 | 809 | 1900 | 153 | 1100 | 1500 | 34,0 | NU 2888 ECMA | - | ||
此轴承 样本图纸
同品牌推荐
轴承广泛应用于:圆柱齿轮减速机 锻压机床 手动泵 食品烘焙设备 再沸器 包装辅助设备 卧式减速机 土壤耕整机械 淋水装置 轮胎挖掘机 兽用器械 跌落试验机 检验分析设备 吹膜机 装载机械 等领域。
