NU306ECM轴承
			 NU306ECM轴承(内径:30 外径:72厚度:19的圆柱滚子轴承),NU306ECM轴承是苏州凯诺永晟提供的SKF品牌轴承,
			 此外我公司还为您推荐各种国产、其他进口品牌替换NU306ECM轴承。公司承载着“以质量为本,服务为路线”的道路深得各机械行业公司的信任!
			 更多高转速、高载荷等适用于极限环境的轴承库存现货,请致电“0512-57922999”咨询!
		   
		  
  | 圆柱滚子轴承, 单列, NU 设计 | ||||||||||||
| 公差 , 参见文字 | ||||||||||||
| 径向内部间隙, 圆柱型内孔 , 圆锥型内孔, 无密封件 , 参见文字 | ||||||||||||
| 推荐配合 | ||||||||||||
| 轴和轴承座公差 | ||||||||||||
|   | ||||||||||||
| 主要数据尺寸 | 基本负荷额定值 | 疲劳负荷限值 | 额定速度 | 体积 | 型号 | 适宜的斜挡圈 | ||||||
| 动态 | 静态 | 参照速度 | 限制速度 | 型号 | ||||||||
| d | D | B | C | C0 | Pu | * - SKF Explorer 轴承 | ||||||
|   | ||||||||||||
| mm | kN | kN | r/min | kg | - | - | ||||||
|   | ||||||||||||
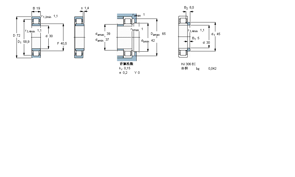
| 30 | 72 | 19 | 58,5 | 48 | 6,2 | 11000 | 12000 | 0,44 | NU 306 ECM * | HJ 306 EC | ||
此轴承 样本图纸
同品牌推荐
轴承广泛应用于:烫金机 烘干固化设备 塑料拉丝机 包本机 塑焊机 编织机 桩工机械 石油设备 热压机 食品杀菌设备 肥料加工设备 翻斗车 拉力试验机 蜗杆减速机 灌装机械 等领域。

