NU3240ECM轴承
			 NU3240ECM轴承(内径:200 外径:360厚度:128的圆柱滚子轴承),NU3240ECM轴承是苏州凯诺永晟提供的SKF品牌轴承,
			 此外我公司还为您推荐各种国产、其他进口品牌替换NU3240ECM轴承。公司承载着“以质量为本,服务为路线”的道路深得各机械行业公司的信任!
			 更多高转速、高载荷等适用于极限环境的轴承库存现货,请致电“0512-57922999”咨询!
		   
		  
  | 圆柱滚子轴承, 单列, NU 设计 | ||||||||||||
| 公差 , 参见文字 | ||||||||||||
| 径向内部间隙, 圆柱型内孔 , 圆锥型内孔, 无密封件 , 参见文字 | ||||||||||||
| 推荐配合 | ||||||||||||
| 轴和轴承座公差 | ||||||||||||
|   | ||||||||||||
| 主要数据尺寸 | 基本负荷额定值 | 疲劳负荷限值 | 额定速度 | 体积 | 型号 | 适宜的斜挡圈 | ||||||
| 动态 | 静态 | 参照速度 | 限制速度 | 型号 | ||||||||
| d | D | B | C | C0 | Pu | |||||||
|   | ||||||||||||
| mm | kN | kN | r/min | kg | - | - | ||||||
|   | ||||||||||||
| 200 | 360 | 128 | 1540 | 2450 | 236 | 1600 | 2400 | 59,0 | NU 3240 ECM | - | ||
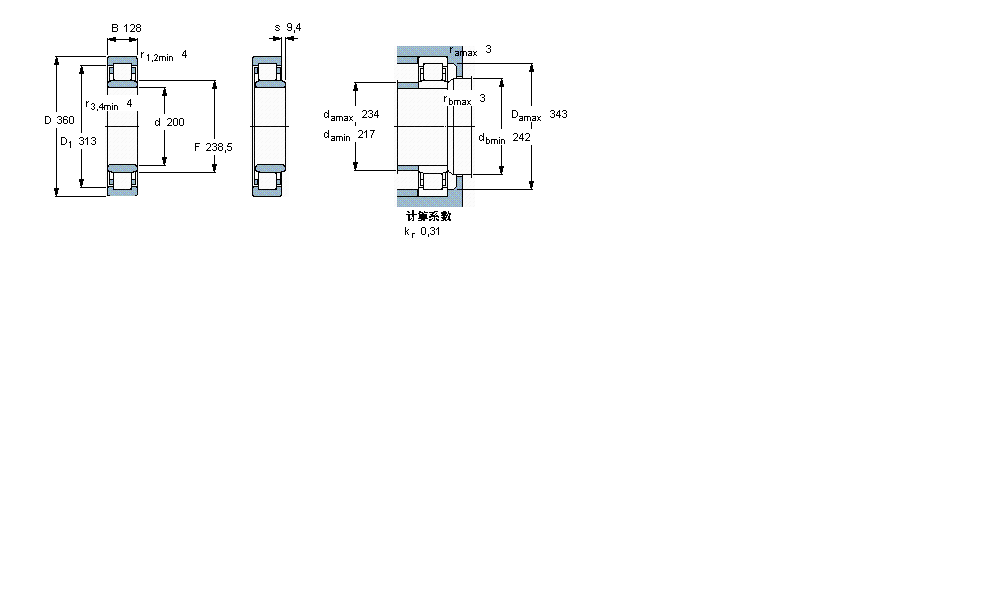
此轴承 样本图纸
同品牌推荐
轴承广泛应用于:补鞋机 立式干燥机 塑机配件 再沸器 反渗析设备 塔式起重机 加料机 深孔钻床 纺织用仪器 直线导轨 塑料管材设备 凸版印刷机 仪器仪表 塑料造粒机 喷砂设备 等领域。

