OH30/1000H轴承
			 OH30/1000H轴承(内径:- 外径:-厚度:-的紧定套),OH30/1000H轴承是苏州凯诺永晟提供的SKF品牌轴承,
			 此外我公司还为您推荐各种国产、其他进口品牌替换OH30/1000H轴承。公司承载着“以质量为本,服务为路线”的道路深得各机械行业公司的信任!
			 更多高转速、高载荷等适用于极限环境的轴承库存现货,请致电“0512-57922999”咨询!
		   
		  
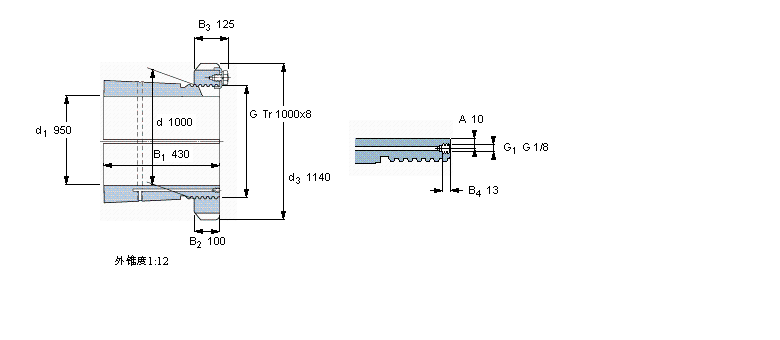
  | 紧定套 | ||||||||||
|   | ||||||||||
| 尺寸 | 体积 | 型号 | ||||||||
| 紧定轴套带螺母 | 锁定螺母 | 锁定装置 | 适宜的液压 | |||||||
| d1 | d | d3 | B1 | G | 和锁紧装置 | 螺母 | ||||
|   | ||||||||||
| mm | kg | - | ||||||||
|   | ||||||||||
| 950 | 1000 | 1140 | 430 | Tr 1000x8 | 470 | OH 30/1000 H | HM 30/1000 | MS 30/1000 | HMV 200 E | |
此轴承 样本图纸
同品牌推荐
轴承广泛应用于:编织机 空气净化器 手术专用设备 消音降噪设备 牵引、矫正设备 挖掘装载机 夹层玻璃生产线 弯曲试验机 填料塔 水切割机 药品包装机械 饮片机械 餐饮行业设备 混凝土搅拌机 林业机械 等领域。

