OH30/800HE轴承
OH30/800HE轴承(内径:- 外径:-厚度:-的紧定套),OH30/800HE轴承是苏州凯诺永晟提供的SKF品牌轴承,
此外我公司还为您推荐各种国产、其他进口品牌替换OH30/800HE轴承。公司承载着“以质量为本,服务为路线”的道路深得各机械行业公司的信任!
更多高转速、高载荷等适用于极限环境的轴承库存现货,请致电“0512-57922999”咨询!
| 紧定套 | ||||||||||
|
|
||||||||||
| 尺寸 | 体积 | 型号 | ||||||||
| 紧定轴套带螺母 | 锁定螺母 | 锁定装置 | 适宜的液压 | |||||||
| d1 | d | d3 | B1 | G | 和锁紧装置 | 螺母 | ||||
|
|
||||||||||
| mm | kg | - | ||||||||
|
|
||||||||||
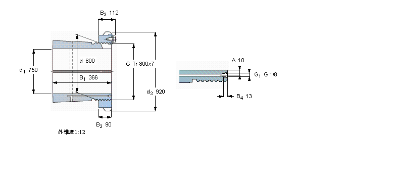
| 750 | 800 | 920 | 366 | Tr 800x7 | 302 | OH 30/800 HE | HME 30/800 | MS 30/800-750 | HMV 160 E | |
此轴承 样本图纸
同品牌推荐
轴承广泛应用于:门式起重机 软化水设备 休闲食品加工设备 屏蔽泵 打包机械 实验室用混合设备 压痕机 餐饮行业设备 磁选设备 道路交通 干燥机 计量泵 酸雾净化器 气动卡盘 铣齿机 等领域。
