OH3084H轴承
OH3084H轴承(内径:- 外径:-厚度:-的紧定套),OH3084H轴承是苏州凯诺永晟提供的SKF品牌轴承,
此外我公司还为您推荐各种国产、其他进口品牌替换OH3084H轴承。公司承载着“以质量为本,服务为路线”的道路深得各机械行业公司的信任!
更多高转速、高载荷等适用于极限环境的轴承库存现货,请致电“0512-57922999”咨询!
| 紧定套 | ||||||||||
|
|
||||||||||
| 尺寸 | 体积 | 型号 | ||||||||
| 紧定轴套带螺母 | 锁定螺母 | 锁定装置 | 适宜的液压 | |||||||
| d1 | d | d3 | B1 | G | 和锁紧装置 | 螺母 | ||||
|
|
||||||||||
| mm | kg | - | ||||||||
|
|
||||||||||
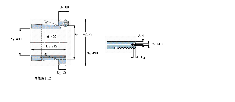
| 400 | 420 | 490 | 212 | Tr 420x5 | 47,0 | OH 3084 H | HM 3084 | MS 3084 | HMV 84 E | |
此轴承 样本图纸
同品牌推荐
轴承广泛应用于:电子元件成型机 破碎设备 干粉混合设备 垃圾焚烧炉 混炼机 淋水装置 拉力试验机 压痕机 缝纫机 耐材及炉窑 冷冻机 海德堡印刷机 疲劳试验机 漩涡泵 钢筋拉丝机 等领域。
