OH31/800HE轴承
OH31/800HE轴承(内径:- 外径:-厚度:-的紧定套),OH31/800HE轴承是苏州凯诺永晟提供的SKF品牌轴承,
此外我公司还为您推荐各种国产、其他进口品牌替换OH31/800HE轴承。公司承载着“以质量为本,服务为路线”的道路深得各机械行业公司的信任!
更多高转速、高载荷等适用于极限环境的轴承库存现货,请致电“0512-57922999”咨询!
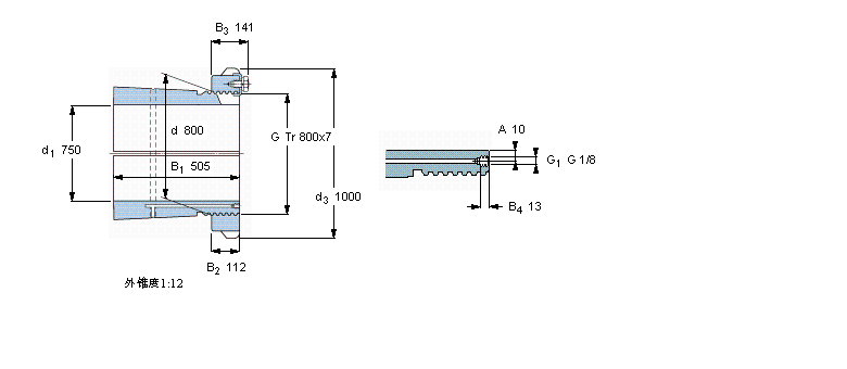
| 紧定套 | ||||||||||
|
|
||||||||||
| 尺寸 | 体积 | 型号 | ||||||||
| 紧定轴套带螺母 | 锁定螺母 | 锁定装置 | 适宜的液压 | |||||||
| d1 | d | d3 | B1 | G | 和锁紧装置 | 螺母 | ||||
|
|
||||||||||
| mm | kg | - | ||||||||
|
|
||||||||||
| 750 | 800 | 1000 | 505 | Tr 800x7 | 535 | OH 31/800 HE | HME 31/800 | MS 31/800-750 | HMV 160 E | |
此轴承 样本图纸
同品牌推荐
轴承广泛应用于:皮带轮 防尘布 冶金 耐腐蚀泵 板式换热器 干洗机 制冷压缩机 发泡设备 热转印设备 三环式减速机 橡胶贴合机 齿轮减速机 食品烘焙设备 塑料包装机械 服装机械设备 等领域。
