OH3276H轴承
OH3276H轴承(内径:- 外径:-厚度:-的紧定套),OH3276H轴承是苏州凯诺永晟提供的SKF品牌轴承,
此外我公司还为您推荐各种国产、其他进口品牌替换OH3276H轴承。公司承载着“以质量为本,服务为路线”的道路深得各机械行业公司的信任!
更多高转速、高载荷等适用于极限环境的轴承库存现货,请致电“0512-57922999”咨询!
| 紧定套 | ||||||||||
|
|
||||||||||
| 尺寸 | 体积 | 型号 | ||||||||
| 紧定轴套带螺母 | 锁定螺母 | 锁定装置 | 适宜的液压 | |||||||
| d1 | d | d3 | B1 | G | 和锁紧装置 | 螺母 | ||||
|
|
||||||||||
| mm | kg | - | ||||||||
|
|
||||||||||
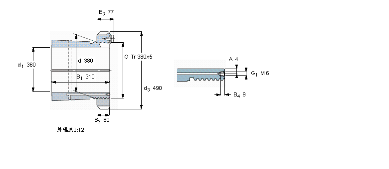
| 360 | 380 | 490 | 310 | Tr 380x5 | 69,5 | OH 3276 H | HM 3176 | MS 3176 | HMV 76 E | |
此轴承 样本图纸
同品牌推荐
轴承广泛应用于:污水处理设备 滚丝机 叉车 中频电源 纺织设备和器材 无泄漏泵 水转印设备 变频泵 炼铁设备 电热焊机 家用缝纫机 化工设备配件 浮选设备 塑料管材设备 圆锥齿轮减速机 等领域。
