OH3296H轴承
OH3296H轴承(内径:- 外径:-厚度:-的紧定套),OH3296H轴承是苏州凯诺永晟提供的SKF品牌轴承,
此外我公司还为您推荐各种国产、其他进口品牌替换OH3296H轴承。公司承载着“以质量为本,服务为路线”的道路深得各机械行业公司的信任!
更多高转速、高载荷等适用于极限环境的轴承库存现货,请致电“0512-57922999”咨询!
| 紧定套 | ||||||||||
|
|
||||||||||
| 尺寸 | 体积 | 型号 | ||||||||
| 紧定轴套带螺母 | 锁定螺母 | 锁定装置 | 适宜的液压 | |||||||
| d1 | d | d3 | B1 | G | 和锁紧装置 | 螺母 | ||||
|
|
||||||||||
| mm | kg | - | ||||||||
|
|
||||||||||
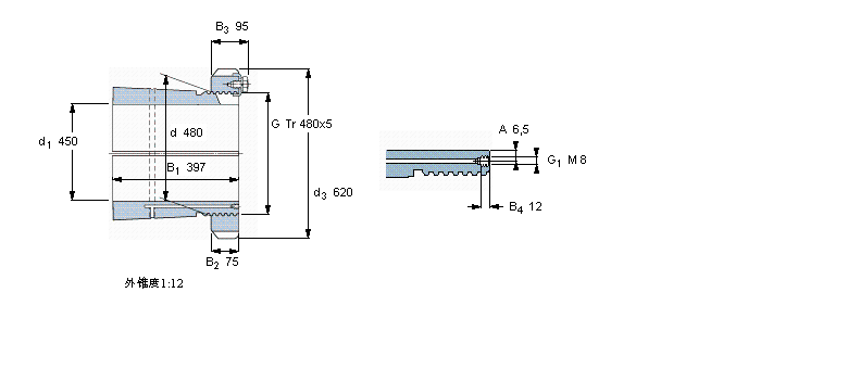
| 450 | 480 | 620 | 397 | Tr 480x5 | 153 | OH 3296 H | HM 3196 | MS 3196 | HMV 96 E | |
此轴承 样本图纸
同品牌推荐
轴承广泛应用于:箱式干燥设备 液压卡盘 绷网机 塑机辅机 凿岩机 烫金机 场上作业机械 钻采设备 服装机械设备 耐磨试验机 电动焊机 增压泵 贴片机 激光焊机 钢筋切断机 等领域。
