OH39/500HE轴承
			 OH39/500HE轴承(内径:- 外径:-厚度:-的紧定套),OH39/500HE轴承是苏州凯诺永晟提供的SKF品牌轴承,
			 此外我公司还为您推荐各种国产、其他进口品牌替换OH39/500HE轴承。公司承载着“以质量为本,服务为路线”的道路深得各机械行业公司的信任!
			 更多高转速、高载荷等适用于极限环境的轴承库存现货,请致电“0512-57922999”咨询!
		   
		  
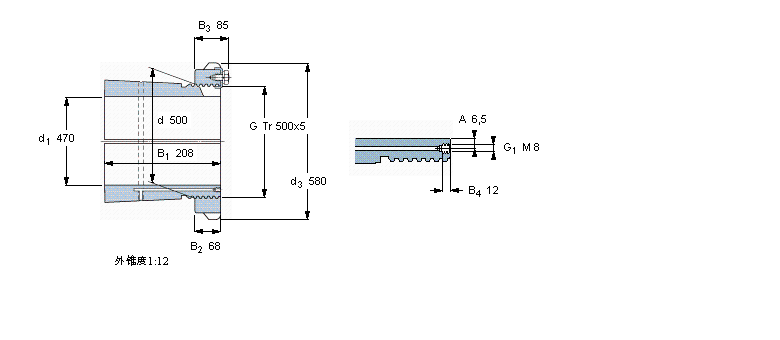
  | 紧定套 | ||||||||||
|   | ||||||||||
| 尺寸 | 体积 | 型号 | ||||||||
| 紧定轴套带螺母 | 锁定螺母 | 锁定装置 | 适宜的液压 | |||||||
| d1 | d | d3 | B1 | G | 和锁紧装置 | 螺母 | ||||
|   | ||||||||||
| mm | kg | - | ||||||||
|   | ||||||||||
| 470 | 500 | 580 | 208 | Tr 500x5 | 74,3 | OH 39/500 HE | HME 30/500 | MS 30/500-96 | HMV 100 E | |
此轴承 样本图纸
同品牌推荐
轴承广泛应用于:塑料印刷设备 塑料板材设备 食品药品包装机 卷板机床 耐腐蚀泵 标准筛 筛分设备 车床 污水泵 燃烧器配件 链条式提升机 钻套 双梁起重机 监护设备 凸版印刷机 等领域。

