OH39/530H轴承
OH39/530H轴承(内径:- 外径:-厚度:-的紧定套),OH39/530H轴承是苏州凯诺永晟提供的SKF品牌轴承,
此外我公司还为您推荐各种国产、其他进口品牌替换OH39/530H轴承。公司承载着“以质量为本,服务为路线”的道路深得各机械行业公司的信任!
更多高转速、高载荷等适用于极限环境的轴承库存现货,请致电“0512-57922999”咨询!
| 紧定套 | ||||||||||
|
|
||||||||||
| 尺寸 | 体积 | 型号 | ||||||||
| 紧定轴套带螺母 | 锁定螺母 | 锁定装置 | 适宜的液压 | |||||||
| d1 | d | d3 | B1 | G | 和锁紧装置 | 螺母 | ||||
|
|
||||||||||
| mm | kg | - | ||||||||
|
|
||||||||||
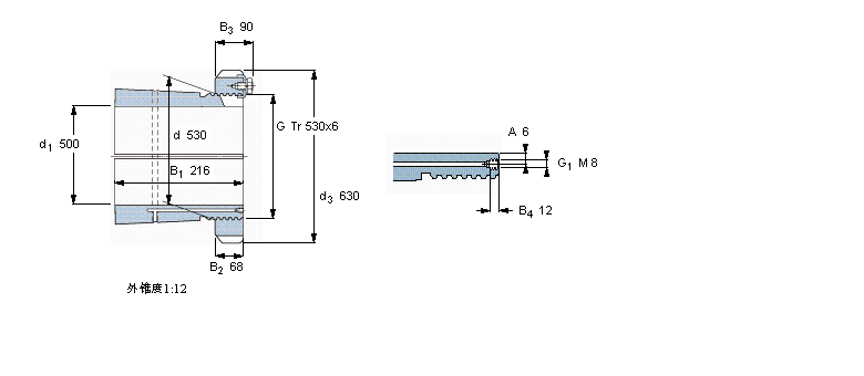
| 500 | 530 | 630 | 216 | Tr 530x6 | 87,9 | OH 39/530 H | HM 30/530 | MS 30/600-530 | HMV 106 E | |
此轴承 样本图纸
同品牌推荐
轴承广泛应用于:食品杀菌设备 燃烧器 不阻塞泵 渔业机械 五金 整熨设备 铸造机床 压痕机 电镀设备 休闲食品加工设备 沸腾干燥机 插片机 挤水机 烘干设备 工程机械、建筑机械 等领域。
