OH39/850HE轴承
OH39/850HE轴承(内径:- 外径:-厚度:-的紧定套),OH39/850HE轴承是苏州凯诺永晟提供的SKF品牌轴承,
此外我公司还为您推荐各种国产、其他进口品牌替换OH39/850HE轴承。公司承载着“以质量为本,服务为路线”的道路深得各机械行业公司的信任!
更多高转速、高载荷等适用于极限环境的轴承库存现货,请致电“0512-57922999”咨询!
| 紧定套 | ||||||||||
|
|
||||||||||
| 尺寸 | 体积 | 型号 | ||||||||
| 紧定轴套带螺母 | 锁定螺母 | 锁定装置 | 适宜的液压 | |||||||
| d1 | d | d3 | B1 | G | 和锁紧装置 | 螺母 | ||||
|
|
||||||||||
| mm | kg | - | ||||||||
|
|
||||||||||
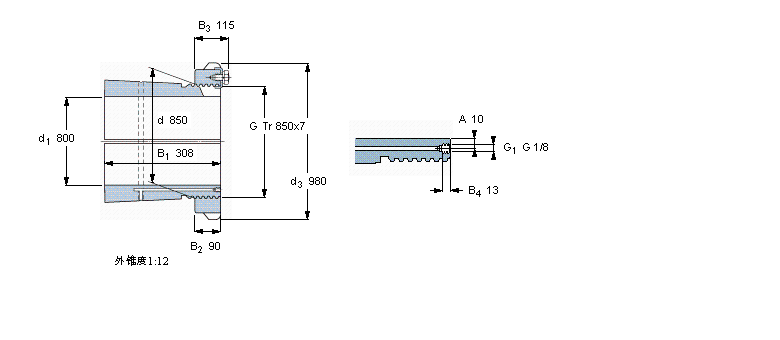
| 800 | 850 | 980 | 308 | Tr 850x7 | 288 | OH 39/850 HE | HME 30/850 | MS 30/900-850 | HMV 170 E | |
此轴承 样本图纸
同品牌推荐
轴承广泛应用于:食用油加工设备 数控车床 气动泵 咖啡店设备 工程及工程设计 超声波焊机 摇臂钻床 冷却塔 锻压机床 石墨换热器 加热器 塑料挤出机 空心桨叶干燥机 脱水设备 燃烧器配件 等领域。
