OH39/900H轴承
OH39/900H轴承(内径:- 外径:-厚度:-的紧定套),OH39/900H轴承是苏州凯诺永晟提供的SKF品牌轴承,
此外我公司还为您推荐各种国产、其他进口品牌替换OH39/900H轴承。公司承载着“以质量为本,服务为路线”的道路深得各机械行业公司的信任!
更多高转速、高载荷等适用于极限环境的轴承库存现货,请致电“0512-57922999”咨询!
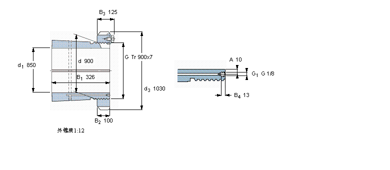
| 紧定套 | ||||||||||
|
|
||||||||||
| 尺寸 | 体积 | 型号 | ||||||||
| 紧定轴套带螺母 | 锁定螺母 | 锁定装置 | 适宜的液压 | |||||||
| d1 | d | d3 | B1 | G | 和锁紧装置 | 螺母 | ||||
|
|
||||||||||
| mm | kg | - | ||||||||
|
|
||||||||||
| 850 | 900 | 1030 | 326 | Tr 900x7 | 330 | OH 39/900 H | HM 30/900 | MS 30/900-850 | HMV 180 E | |
此轴承 样本图纸
同品牌推荐
轴承广泛应用于:酸雾净化器 炼铁设备 热收缩包装机 压焊机 污水处理设备 插床 果蔬加工设备 熔融指数仪 单梁起重机 热熔胶机 炊事设备 罗茨泵 间壁式换热器 干燥设备 塑料板材设备 等领域。
