QJ308MA轴承
QJ308MA轴承(内径:40 外径:90厚度:23的角接触球轴承),QJ308MA轴承是苏州凯诺永晟提供的SKF品牌轴承,
此外我公司还为您推荐各种国产、其他进口品牌替换QJ308MA轴承。公司承载着“以质量为本,服务为路线”的道路深得各机械行业公司的信任!
更多高转速、高载荷等适用于极限环境的轴承库存现货,请致电“0512-57922999”咨询!
| 角接触球轴承, 四点接触球轴承 | ||||||||||
| 公差 , 参见文字 | ||||||||||
| 轴向内部间隙, 参见文字 | ||||||||||
| 推荐配合 | ||||||||||
| 轴和轴承座公差 | ||||||||||
|
|
||||||||||
| 主要数据尺寸 | 基本负荷额定值 | 疲劳负荷限值 | 额定速度 | 体积 | 型号 | |||||
| 动态 | 静态 | 参照速度 | 限制速度 | |||||||
| d | D | B | C | C0 | Pu | * - SKF Explorer 轴承 | ||||
|
|
||||||||||
| mm | kN | kN | r/min | kg | - | |||||
|
|
||||||||||
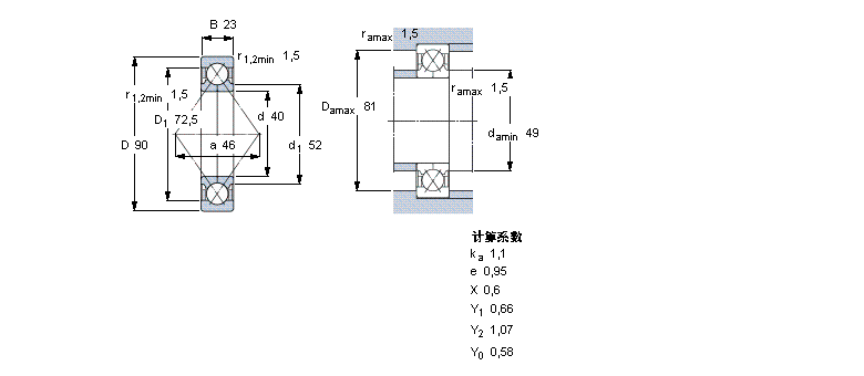
| 40 | 90 | 23 | 78 | 64 | 2,7 | 10000 | 14000 | 0,78 | QJ 308 MA * | |
此轴承 样本图纸
同品牌推荐
轴承广泛应用于:风冷却器 药品包装机械 无泄漏泵 搪瓷反应釜 铸造设备 标准筛 片皮机 板式塔 保鲜冷藏设备 圆锥齿轮减速机 搅拌机 提升设备 磁选设备 无纺布印刷设备 后帮机 等领域。
