SCF45ES轴承
SCF45ES轴承(内径:- 外径:-厚度:-的需要维护的杆端),SCF45ES轴承是苏州凯诺永晟提供的SKF品牌轴承,
此外我公司还为您推荐各种国产、其他进口品牌替换SCF45ES轴承。公司承载着“以质量为本,服务为路线”的道路深得各机械行业公司的信任!
更多高转速、高载荷等适用于极限环境的轴承库存现货,请致电“0512-57922999”咨询!
| 需要维护的杆端, 钢对钢,焊接柄 | ||||||||||
| 公差 , 参见文字 | ||||||||||
| 径向内部游隙 , 参见文字 | ||||||||||
|
|
||||||||||
| 主要数据尺寸 | 角度倾的 | 基本负荷额定值 | 质量 | 型号 | ||||||
| 动态 | 静态 | |||||||||
| d | d2 | B | C1 | h2 | ± | C | C0 | |||
| 最大 | ||||||||||
|
|
||||||||||
| mm | 度数 | kN | kg | - | ||||||
|
|
||||||||||
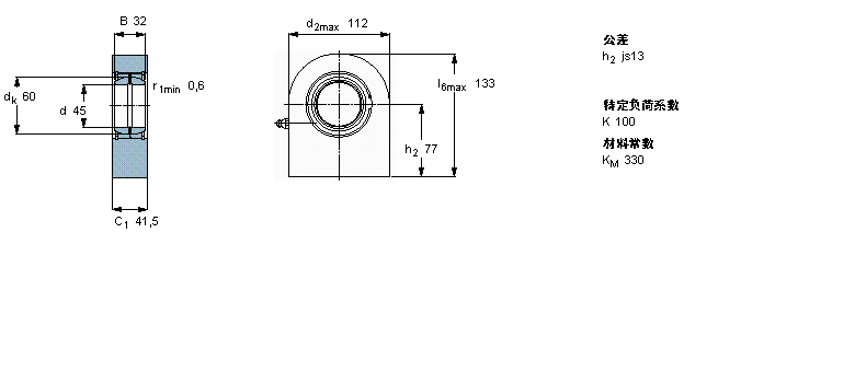
| 45 | 112 | 32 | 41,5 | 77 | 7 | 127 | 360 | 3,40 | SCF 45 ES | |
此轴承 样本图纸
同品牌推荐
轴承广泛应用于:污水处理设备 网带炉 摩擦焊机 滚筒炉 塑料编织机 杀菌机 印染整机械与设备 夹层玻璃生产线 立式减速机 压片机 装载机械 机床减震装置 通风机 热收缩包装机 横流式冷却塔 等领域。
