SI80ES-2RS轴承
SI80ES-2RS轴承(内径:- 外径:-厚度:-的需要维护的杆端),SI80ES-2RS轴承是苏州凯诺永晟提供的SKF品牌轴承,
此外我公司还为您推荐各种国产、其他进口品牌替换SI80ES-2RS轴承。公司承载着“以质量为本,服务为路线”的道路深得各机械行业公司的信任!
更多高转速、高载荷等适用于极限环境的轴承库存现货,请致电“0512-57922999”咨询!
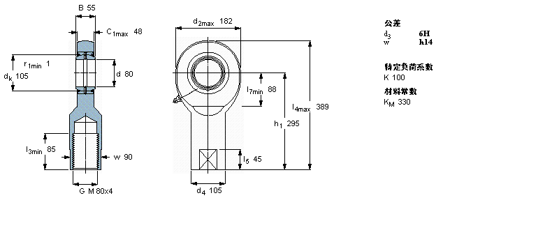
| 需要维护的杆端, 钢对钢,阴螺纹, 两面密封件 | |||||||||||
| 公差 , 参见文字 | |||||||||||
| 径向内部游隙 , 参见文字 | |||||||||||
|
|
|||||||||||
| 主要数据尺寸 | 角度倾的 | 基本负荷额定值 | 质量 | 型号 | |||||||
| 动态 | 静态 | 杆端带右或左旋螺纹 | |||||||||
| d | d2 | B | d3 | C1 | h1 | ± | C | C0 | |||
| 6H | |||||||||||
|
|
|||||||||||
| mm | 度数 | kN | kg | - | |||||||
|
|
|||||||||||
| 80 | 182 | 55 | M 80x4 | 48 | 295 | 5 | 400 | 655 | 15,0 | SI 80 ES-2RS | |
此轴承 样本图纸
同品牌推荐
轴承广泛应用于:冷却器 振动筛 其他石油设备 分度盘、分度头 加工中心 陶瓷切割机 纺织用仪器 封口机械 反应釜 药用粉碎机械 玻璃清洗机 模具 减速箱 补鞋机 油墨混合设备 等领域。
