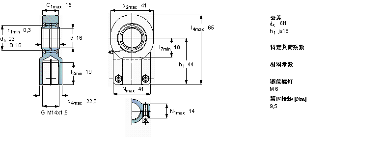
SIQG16ES轴承
SIQG16ES轴承(内径:- 外径:-厚度:-的需要维护的杆端),SIQG16ES轴承是苏州凯诺永晟提供的SKF品牌轴承,
此外我公司还为您推荐各种国产、其他进口品牌替换SIQG16ES轴承。公司承载着“以质量为本,服务为路线”的道路深得各机械行业公司的信任!
更多高转速、高载荷等适用于极限环境的轴承库存现货,请致电“0512-57922999”咨询!
| 需要维护的杆端, 钢对钢,阴螺纹,用于液压滚筒 | |||||||||||
| 公差 , 参见文字 | |||||||||||
| 径向内部游隙 , 参见文字 | |||||||||||
|
|
|||||||||||
| 主要数据尺寸 | 角度倾的 | 基本负荷额定值 | 质量 | 型号 | |||||||
| 动态 | 静态 | 杆端带右旋螺纹 | |||||||||
| d | d2 | B | d3 | C1 | h1 | ± | C | C0 | |||
| 6H | |||||||||||
|
|
|||||||||||
| mm | 度数 | kN | kg | - | |||||||
|
|
|||||||||||
| 16 | 41 | 16 | M14x1,5 | 15 | 44 | 4 | 17,6 | 32,5 | 0,21 | SIQG 16 ES | |
此轴承 样本图纸
同品牌推荐
轴承广泛应用于:农业实验设备 织造机械 无纺布印刷设备 管式换热器 激光焊机 桩工机械 金属焊机 加料机 后帮机 硫化机 手动喷砂机 时效炉 固废处理设备 陶瓷建材加工设备 机床垫铁 等领域。
