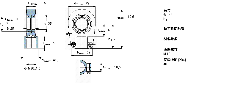
SIR35ES轴承
SIR35ES轴承(内径:- 外径:-厚度:-的需要维护的杆端),SIR35ES轴承是苏州凯诺永晟提供的SKF品牌轴承,
此外我公司还为您推荐各种国产、其他进口品牌替换SIR35ES轴承。公司承载着“以质量为本,服务为路线”的道路深得各机械行业公司的信任!
更多高转速、高载荷等适用于极限环境的轴承库存现货,请致电“0512-57922999”咨询!
| 需要维护的杆端, 钢对钢,阴螺纹,用于液压滚筒 | |||||||||||
| 公差 , 参见文字 | |||||||||||
| 径向内部游隙 , 参见文字 | |||||||||||
|
|
|||||||||||
| 主要数据尺寸 | 角度倾的 | 基本负荷额定值 | 质量 | 型号 | |||||||
| 动态 | 静态 | 杆端带右旋螺纹 | |||||||||
| d | d2 | B | d3 | C1 | h1 | ± | C | C0 | |||
| 6H | |||||||||||
|
|
|||||||||||
| mm | 度数 | kN | kg | - | |||||||
|
|
|||||||||||
| 35 | 79 | 25 | M28x1,5 | 30,5 | 70 | 6 | 80 | 118 | 1,20 | SIR 35 ES | |
此轴承 样本图纸
同品牌推荐
轴承广泛应用于:高周波焊机 专用机床 摆线减速机 真空吸盘 药用粉碎机械 对弧样板 工业炉 塑料包装机械 缝后设备 压光机 水冷式冷冻机 卧式橡胶机械 单级减速机 曝气设备 法兰盘 等领域。
