SYNT80FTF轴承
SYNT80FTF轴承(内径:- 外径:-厚度:-的滚子轴承立式轴承座单元),SYNT80FTF轴承是苏州凯诺永晟提供的SKF品牌轴承,
此外我公司还为您推荐各种国产、其他进口品牌替换SYNT80FTF轴承。公司承载着“以质量为本,服务为路线”的道路深得各机械行业公司的信任!
更多高转速、高载荷等适用于极限环境的轴承库存现货,请致电“0512-57922999”咨询!
| 滚子轴承立式轴承座单元, SKF ConCentra, locating units, radial shaft seals | ||||||||||||
|
|
||||||||||||
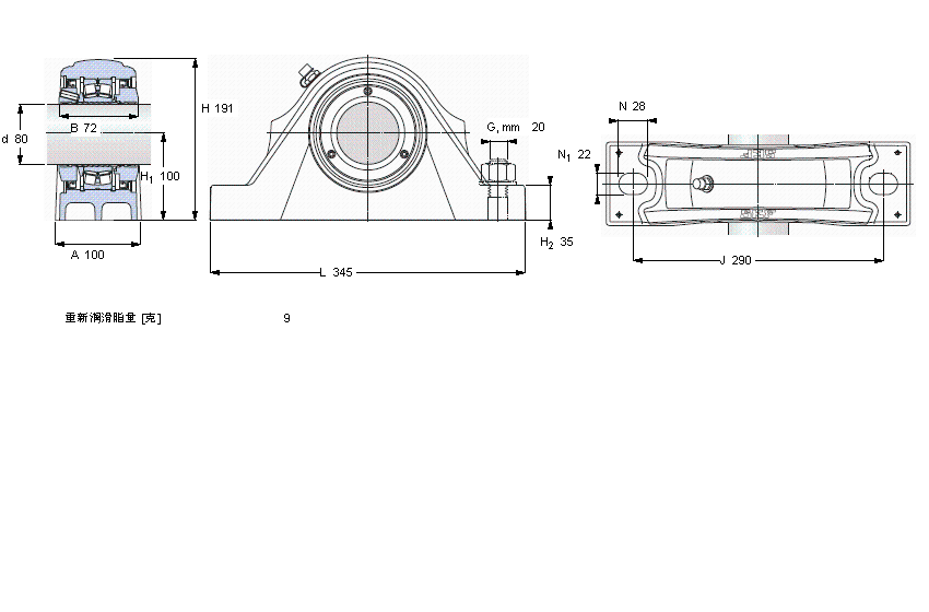
| 尺寸 | 尺寸 [英寸] | 疲劳负荷限值 | 限制速度 | 体积 | 型号 | 轴承,基本型号 | ||||||
| 动态 | 静态 | |||||||||||
| da | A | H | H1 | L | C | C0 | Pu | |||||
|
|
||||||||||||
| mm | kN | kN | r/min | kg | - | - | ||||||
|
|
||||||||||||
| 80 | 100 | 191 | 100 | 345 | 236 | 270 | 29 | 1150 | 20 | SYNT 80 FTF | 22216 E | |
此轴承 样本图纸
同品牌推荐
轴承广泛应用于:食品烘焙设备 畜牧、养殖业机械 后帮机 液压卡盘 林业机械 空气干燥机 再生破碎机 夹层玻璃生产线 西餐店设备 成型机 气浮设备 叶轮泵 搪瓷反应釜 橡胶压延机 曝气设备 等领域。
