SYNT80LTS轴承
SYNT80LTS轴承(内径:- 外径:-厚度:-的滚子轴承立式轴承座单元),SYNT80LTS轴承是苏州凯诺永晟提供的SKF品牌轴承,
此外我公司还为您推荐各种国产、其他进口品牌替换SYNT80LTS轴承。公司承载着“以质量为本,服务为路线”的道路深得各机械行业公司的信任!
更多高转速、高载荷等适用于极限环境的轴承库存现货,请致电“0512-57922999”咨询!
| 滚子轴承立式轴承座单元, SKF ConCentra, non-locating units, labyrinth seals | ||||||||||||
|
|
||||||||||||
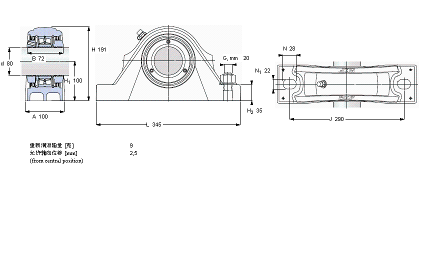
| 尺寸 | 尺寸 [英寸] | 疲劳负荷限值 | 限制速度 | 体积 | 型号 | 轴承,基本型号 | ||||||
| 动态 | 静态 | |||||||||||
| da | A | H | H1 | L | C | C0 | Pu | |||||
|
|
||||||||||||
| mm | kN | kN | r/min | kg | - | - | ||||||
|
|
||||||||||||
| 80 | 100 | 191 | 100 | 345 | 236 | 270 | 29 | 3100 | 20 | SYNT 80 LTS | 22216 E | |
此轴承 样本图纸
同品牌推荐
轴承广泛应用于:压焊机 五金 电镀冷冻机 冶炼成套设备 晒版机 修鞋设备 箱式干燥设备 工程及工程设计 等离子焊机 针织机械 刮泥机 棉麻毛初加工设备 软化水设备 电子产品制造设备 蛋糕房设备 等领域。
