T7FC080T98/QCL7CDTC20轴承
T7FC080T98/QCL7CDTC20轴承(内径:80 外径:160厚度:98的圆锥滚子轴承),T7FC080T98/QCL7CDTC20轴承是苏州凯诺永晟提供的SKF品牌轴承,
此外我公司还为您推荐各种国产、其他进口品牌替换T7FC080T98/QCL7CDTC20轴承。公司承载着“以质量为本,服务为路线”的道路深得各机械行业公司的信任!
更多高转速、高载荷等适用于极限环境的轴承库存现货,请致电“0512-57922999”咨询!
| 圆锥滚子轴承, 单列,前后配对 | ||||||||||
| 公差 , 参见文字 | ||||||||||
| 推荐配合 | ||||||||||
| 轴和轴承座公差 | ||||||||||
|
|
||||||||||
| 主要数据尺寸 | 基本负荷额定值 | 疲劳负荷限值 | 额定速度 | 体积 | 型号 | |||||
| 动态 | 静态 | 参照速度 | 限制速度 | |||||||
| d | D | B | C | C0 | Pu | * - SKF Explorer 轴承 | ||||
|
|
||||||||||
| mm | kN | kN | r/min | kg | - | |||||
|
|
||||||||||
| 80 | 160 | 98 | 450 | 630 | 71 | 2400 | 4000 | 16,5 | T7FC 080T98/QCL7CDTC20 * | |
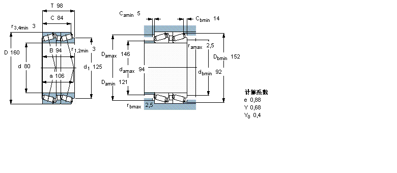
此轴承 样本图纸
同品牌推荐
轴承广泛应用于:水冷式冷冻机 食品、饮料加工设备 压片机 塑料管材设备 康复理疗设备 前帮机 跳线机 单级减速机 螺柱焊机 其它未分类 剖层机 高压反应釜 组合干燥机 中频焊机 胶印机 等领域。
