VJ-PDNB318轴承
VJ-PDNB318轴承(内径:80 外径:90厚度:260的双轴承单元),VJ-PDNB318轴承是苏州凯诺永晟提供的SKF品牌轴承,
此外我公司还为您推荐各种国产、其他进口品牌替换VJ-PDNB318轴承。公司承载着“以质量为本,服务为路线”的道路深得各机械行业公司的信任!
更多高转速、高载荷等适用于极限环境的轴承库存现货,请致电“0512-57922999”咨询!
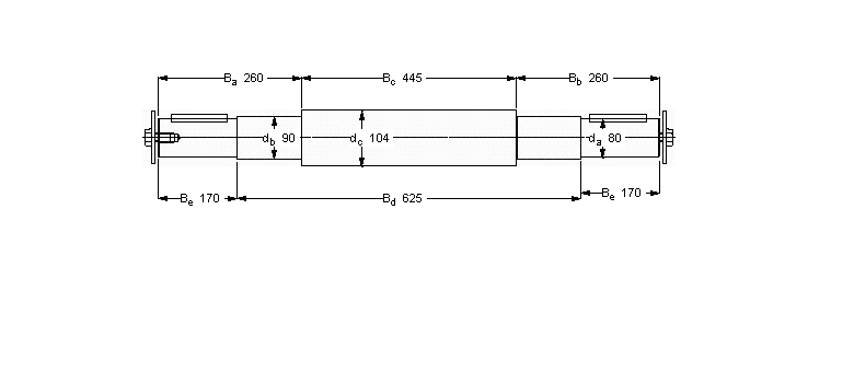
| 双轴承单元, 用PDNB单元的轴 | ||||||||||
|
|
||||||||||
| 尺寸 | 键 | 质量 | 型号 | |||||||
| da | db | Ba | Bb | Bc | Bd | Be | ||||
|
|
||||||||||
| mm | - | kg | - | |||||||
|
|
||||||||||
| 80 | 90 | 260 | 260 | 445 | 625 | 170 | 22x14x140 | 51,0 | VJ-PDNB 318 | |
此轴承 样本图纸
同品牌推荐
轴承广泛应用于:曝气设备 电动泵 印染整机械与设备 管式换热器 石材机械 化工成型设备 电磁吸盘 塑料包装机械 点焊机 反应设备 灌装机械 食品药品包装机 台车炉 棉麻毛初加工设备 机械通风冷却塔 等领域。
