W638/1.5-2Z轴承
W638/1.5-2Z轴承(内径:1.5 外径:4厚度:2的深沟球轴承),W638/1.5-2Z轴承是苏州凯诺永晟提供的SKF品牌轴承,
此外我公司还为您推荐各种国产、其他进口品牌替换W638/1.5-2Z轴承。公司承载着“以质量为本,服务为路线”的道路深得各机械行业公司的信任!
更多高转速、高载荷等适用于极限环境的轴承库存现货,请致电“0512-57922999”咨询!
| 深沟球轴承, 单列,不锈钢, 两面防尘罩 | ||||||||||
| 公差 , 参见文字 | ||||||||||
| 径向内部游隙 , 参见文字 | ||||||||||
| 推荐配合 | ||||||||||
| 轴和轴承座公差 | ||||||||||
|
|
||||||||||
| 主要数据尺寸 | 基本负荷额定值 | 疲劳负荷限值 | 额定速度 | 体积 | 型号 | |||||
| 动态 | 静态 | 参照速度 | 限制速度 | |||||||
| d | D | B | C | C0 | Pu | |||||
|
|
||||||||||
| mm | kN | kN | r/min | kg | - | |||||
|
|
||||||||||
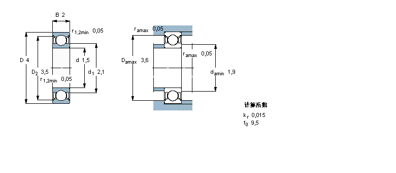
| 1,5 | 4 | 2 | 0,114 | 0,034 | 0,0015 | 220000 | 110000 | 0,00014 | W 638/1.5-2Z | |
此轴承 样本图纸
同品牌推荐
轴承广泛应用于:压铸机 波纹管设备 涂装除尘设备 西餐店设备 罗兰印刷机 焊管机 端子机 电泳槽 高空作业机械 医护辅助设备 混凝土机械 气体保护焊机 自动泵 切带机 橡胶压延机 等领域。
