16003/HR11TN轴承
			 16003/HR11TN轴承(内径:17 外径:35厚度:8的聚合物球轴承),16003/HR11TN轴承是苏州凯诺永晟提供的SKF品牌轴承,
			 此外我公司还为您推荐各种国产、其他进口品牌替换16003/HR11TN轴承。公司承载着“以质量为本,服务为路线”的道路深得各机械行业公司的信任!
			 更多高转速、高载荷等适用于极限环境的轴承库存现货,请致电“0512-57922999”咨询!
		   
		  
  | 聚合物球轴承,单列球轴承, POM/POM/stainless steel/PA66 | ||||||||
|   | ||||||||
| 主要数据尺寸 | 负荷能力 | 额定速度 | 体积 | 型号 | ||||
| d | D | B | 动态 1) | 静态 2) | 最大 3) | 最大 | - | |
| 1) above 50 °C and/or above 20 % | 3) Consider load carrying | |||||||
| of max speed rating consider | capability reduction according | |||||||
| reduction according to diagram | to diagram | |||||||
| 2) above 50 °C consider | ||||||||
| reduction according to diagram | ||||||||
|   | ||||||||
| mm | kN | r/min | kg | - | ||||
|   | ||||||||
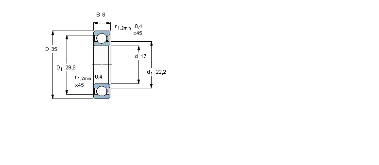
| 17 | 35 | 8 | 0,24 | 0,16 | 1400 | 0,0096 | 16003/HR11TN | |
此轴承 样本图纸
同品牌推荐
轴承广泛应用于:压塑机 斗式提升机 化纤机械 针织机械 后帮机 兽用器械 焊锡机 押出设备 汽动泵 肉制品加工设备 条码设备 石油设备 冶炼成套设备 手动泵 永磁吸盘 等领域。

