NU1007ECMP轴承
NU1007ECMP轴承(内径:35 外径:62厚度:14的圆柱滚子轴承),NU1007ECMP轴承是苏州凯诺永晟提供的SKF品牌轴承,
此外我公司还为您推荐各种国产、其他进口品牌替换NU1007ECMP轴承。公司承载着“以质量为本,服务为路线”的道路深得各机械行业公司的信任!
更多高转速、高载荷等适用于极限环境的轴承库存现货,请致电“0512-57922999”咨询!
| 圆柱滚子轴承, 单列, NU 设计 | ||||||||||||
| 公差 , 参见文字 | ||||||||||||
| 径向内部间隙, 圆柱型内孔 , 圆锥型内孔, 无密封件 , 参见文字 | ||||||||||||
| 推荐配合 | ||||||||||||
| 轴和轴承座公差 | ||||||||||||
|
|
||||||||||||
| 主要数据尺寸 | 基本负荷额定值 | 疲劳负荷限值 | 额定速度 | 体积 | 型号 | 适宜的斜挡圈 | ||||||
| 动态 | 静态 | 参照速度 | 限制速度 | 型号 | ||||||||
| d | D | B | C | C0 | Pu | |||||||
|
|
||||||||||||
| mm | kN | kN | r/min | kg | - | - | ||||||
|
|
||||||||||||
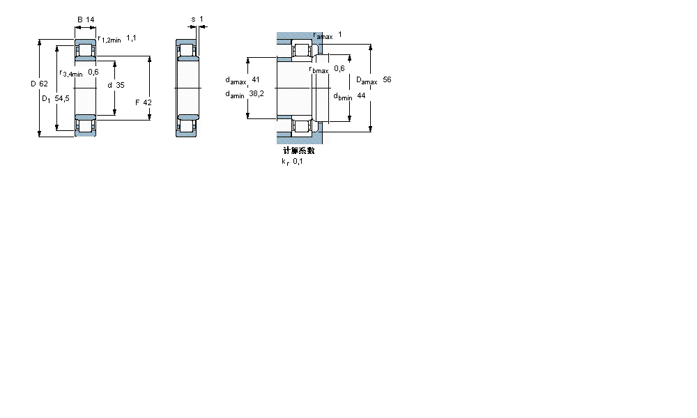
| 35 | 62 | 14 | 35,8 | 38 | 4,55 | 12000 | 20000 | 0,16 | NU 1007 ECMP | - | ||
此轴承 样本图纸
同品牌推荐
轴承广泛应用于:包装设备 制冷压缩机 地矿勘测、选矿设备 塑料焊机 卧式泵 提升设备 塑料管材设备 混凝土泵车 塑料造粒机 化纤机械 槽式反应器 乳品机械 混合设备 医护辅助设备 防尘布 等领域。
