21309EK+H309轴承
21309EK+H309轴承(内径:40 外径:100厚度:25的球面滚子轴承),21309EK+H309轴承是苏州凯诺永晟提供的SKF品牌轴承,
此外我公司还为您推荐各种国产、其他进口品牌替换21309EK+H309轴承。公司承载着“以质量为本,服务为路线”的道路深得各机械行业公司的信任!
更多高转速、高载荷等适用于极限环境的轴承库存现货,请致电“0512-57922999”咨询!
| 球面滚子轴承, 带紧定套的 | ||||||||||
| 公差 , 参见文字 | ||||||||||
| 径向内部游隙 , 参见文字 | ||||||||||
| 推荐配合 | ||||||||||
| 轴和轴承座公差 | ||||||||||
|
|
||||||||||
| 主要数据尺寸 | 基本负荷额定值 | 疲劳负荷限值 | 额定速度 | 体积 | 型号 | |||||
| 动态 | 静态 | 参照速度 | 限制速度 | 轴承 + 紧定套 | ||||||
| d1 | D | B | C | C0 | Pu | |||||
| * - SKF Explorer 轴承 | ||||||||||
|
|
||||||||||
| mm | kN | kN | r/min | kg | - | |||||
|
|
||||||||||
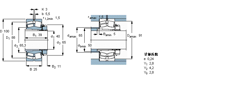
| 40 | 100 | 25 | 125 | 127 | 13,7 | 6300 | 8500 | 1,20 | 21309 EK + H 309 * | |
此轴承 样本图纸
同品牌推荐
轴承广泛应用于:剪板机 开放式冷水机 食品杀菌设备 滗水器 工业烘干机 卡盘 清洗机械 压合机 等离子切割机 压送式喷枪 瓦片机械 果蔬加工设备 折页机 包衣机 研磨机 等领域。
