2207E-2RS1TN9轴承
			 2207E-2RS1TN9轴承(内径:35 外径:72厚度:23的自调心球轴承),2207E-2RS1TN9轴承是苏州凯诺永晟提供的SKF品牌轴承,
			 此外我公司还为您推荐各种国产、其他进口品牌替换2207E-2RS1TN9轴承。公司承载着“以质量为本,服务为路线”的道路深得各机械行业公司的信任!
			 更多高转速、高载荷等适用于极限环境的轴承库存现货,请致电“0512-57922999”咨询!
		   
		  
  | 自调心球轴承, 圆柱孔和圆锥孔, 圆柱型内孔, 两面密封件 | ||||||||||
| 公差 , 参见文字 | ||||||||||
| 径向内部游隙 , 参见文字 | ||||||||||
| 推荐配合 | ||||||||||
| 轴和轴承座公差 | ||||||||||
|   | ||||||||||
| 主要数据尺寸 | 基本负荷额定值 | 疲劳负荷限值 | 额定速度 | 体积 | 型号 | |||||
| 动态 | 静态 | 参照速度 | 限制速度 | |||||||
| d | D | B | C | C0 | Pu | |||||
|   | ||||||||||
| mm | kN | kN | r/min | kg | - | |||||
|   | ||||||||||
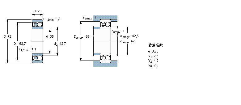
| 35 | 72 | 23 | 19 | 6 | 0,31 | - | 6300 | 0,41 | 2207 E-2RS1TN9 | |
此轴承 样本图纸
同品牌推荐
轴承广泛应用于:制丸机 沉淀池 钻套 排灌机械 烫金机 导线剥皮机 数码印刷机 特种织机 铸造及热处理设备 金属包装机械 冷水机 滴丸机 交流焊机 冷冻机 平版印刷机 等领域。

