22224EK+H3124轴承
			 22224EK+H3124轴承(内径:110 外径:215厚度:58的球面滚子轴承),22224EK+H3124轴承是苏州凯诺永晟提供的SKF品牌轴承,
			 此外我公司还为您推荐各种国产、其他进口品牌替换22224EK+H3124轴承。公司承载着“以质量为本,服务为路线”的道路深得各机械行业公司的信任!
			 更多高转速、高载荷等适用于极限环境的轴承库存现货,请致电“0512-57922999”咨询!
		   
		  
  | 球面滚子轴承, 带紧定套的 | ||||||||||
| 公差 , 参见文字 | ||||||||||
| 径向内部游隙 , 参见文字 | ||||||||||
| 推荐配合 | ||||||||||
| 轴和轴承座公差 | ||||||||||
|   | ||||||||||
| 主要数据尺寸 | 基本负荷额定值 | 疲劳负荷限值 | 额定速度 | 体积 | 型号 | |||||
| 动态 | 静态 | 参照速度 | 限制速度 | 轴承 + 紧定套 | ||||||
| d1 | D | B | C | C0 | Pu | |||||
| * - SKF Explorer 轴承 | ||||||||||
|   | ||||||||||
| mm | kN | kN | r/min | kg | - | |||||
|   | ||||||||||
| 110 | 215 | 58 | 630 | 765 | 73,5 | 2800 | 3800 | 11,0 | 22224 EK + H 3124 * | |
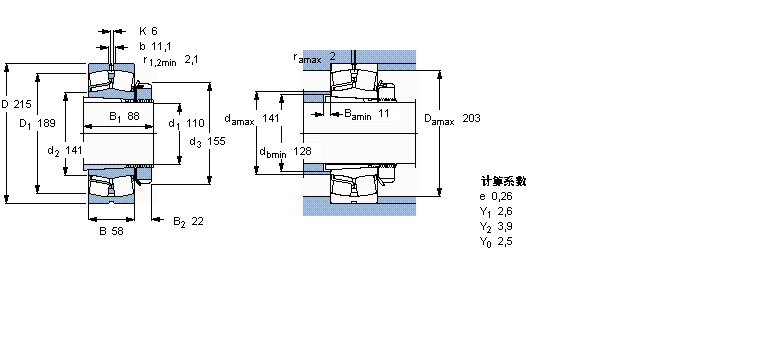
此轴承 样本图纸
同品牌推荐
轴承广泛应用于:列管式换热器 电焊、切割设备 排屑机 门式起重机 机械通风冷却塔 台车炉 焊接辅机 电动搅拌机 导线剥皮机 龙门铣床 卧式减速机 烤漆设备 中空玻璃生产线 塑料印刷设备 机床丝杆 等领域。

