2307ETN9轴承
2307ETN9轴承(内径:35 外径:80厚度:31的自调心球轴承),2307ETN9轴承是苏州凯诺永晟提供的SKF品牌轴承,
此外我公司还为您推荐各种国产、其他进口品牌替换2307ETN9轴承。公司承载着“以质量为本,服务为路线”的道路深得各机械行业公司的信任!
更多高转速、高载荷等适用于极限环境的轴承库存现货,请致电“0512-57922999”咨询!
| 自调心球轴承, 圆柱孔和圆锥孔, 圆柱型内孔, 无密封件 | ||||||||||
| 公差 , 参见文字 | ||||||||||
| 径向内部游隙 , 参见文字 | ||||||||||
| 推荐配合 | ||||||||||
| 轴和轴承座公差 | ||||||||||
|
|
||||||||||
| 主要数据尺寸 | 基本负荷额定值 | 疲劳负荷限值 | 额定速度 | 体积 | 型号 | |||||
| 动态 | 静态 | 参照速度 | 限制速度 | |||||||
| d | D | B | C | C0 | Pu | |||||
|
|
||||||||||
| mm | kN | kN | r/min | kg | - | |||||
|
|
||||||||||
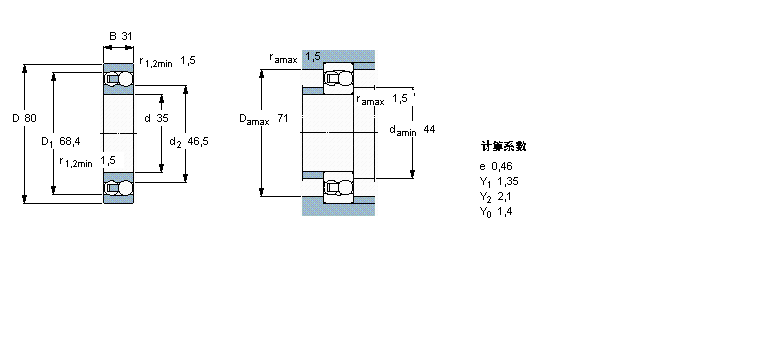
| 35 | 80 | 31 | 39,7 | 11,2 | 0,59 | 16000 | 12000 | 0,68 | 2307 ETN9 | |
此轴承 样本图纸
同品牌推荐
轴承广泛应用于:餐饮创业设备 手动泵 橡胶裁断机 鼓风机 混凝土机械 酸雾净化器 纺纱设备 顶尖、顶针 冲击试验机 螺杆泵 蜗杆减速机 钎焊机 均质设备 消音降噪设备 干燥机 等领域。
