53211轴承
			 53211轴承(内径:- 外径:-厚度:-的推力球轴承),53211轴承是苏州凯诺永晟提供的SKF品牌轴承,
			 此外我公司还为您推荐各种国产、其他进口品牌替换53211轴承。公司承载着“以质量为本,服务为路线”的道路深得各机械行业公司的信任!
			 更多高转速、高载荷等适用于极限环境的轴承库存现货,请致电“0512-57922999”咨询!
		   
		  
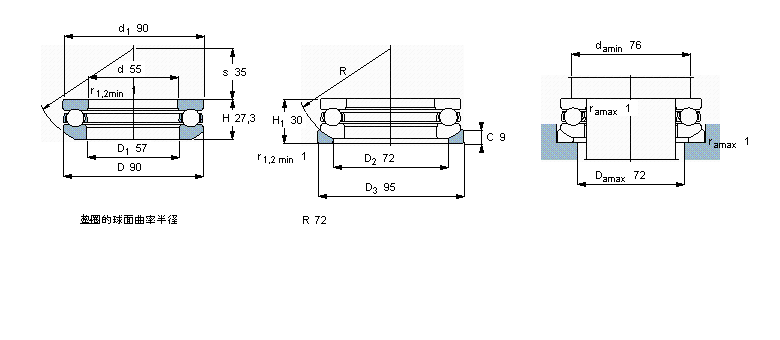
  | 推力球轴承, 单向,带球面轴承座垫圈 | ||||||||||||
| 公差 , 参见文字 | ||||||||||||
| 推荐配合 | ||||||||||||
| 轴和轴承座公差 | ||||||||||||
|   | ||||||||||||
| 主要数据尺寸 | 基本负荷额定值 | 疲劳负荷限值 | 最小负荷系数 | 额定速度 | 体积 | 型号 | ||||||
| 动态 | 静态 | 参照速度 | 限制速度 | 轴承 +垫圈 | 轴承 | 基座垫圈 | ||||||
| d | D | H1 | C | C0 | Pu | A | ||||||
|   | ||||||||||||
| mm | kN | kN | - | r/min | kg | - | ||||||
|   | ||||||||||||
| 55 | 90 | 30 | 61,8 | 146 | 5,4 | 0,11 | 2800 | 4000 | 0,75 | 53211 | U 211 | |
此轴承 样本图纸
同品牌推荐
轴承广泛应用于:吸上式喷枪 试验机 原水处理设备 花边机 橡胶压延机 量革机 铝塑包装机 斗式提升机 万能试验机 石材机械 食用油加工设备 垃圾桶 工业缝纫机 脱水设备 平版印刷机 等领域。

