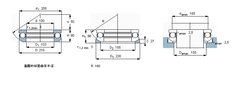
53420M轴承
53420M轴承(内径:- 外径:-厚度:-的推力球轴承),53420M轴承是苏州凯诺永晟提供的SKF品牌轴承,
此外我公司还为您推荐各种国产、其他进口品牌替换53420M轴承。公司承载着“以质量为本,服务为路线”的道路深得各机械行业公司的信任!
更多高转速、高载荷等适用于极限环境的轴承库存现货,请致电“0512-57922999”咨询!
| 推力球轴承, 单向,带球面轴承座垫圈 | ||||||||||||
| 公差 , 参见文字 | ||||||||||||
| 推荐配合 | ||||||||||||
| 轴和轴承座公差 | ||||||||||||
|
|
||||||||||||
| 主要数据尺寸 | 基本负荷额定值 | 疲劳负荷限值 | 最小负荷系数 | 额定速度 | 体积 | 型号 | ||||||
| 动态 | 静态 | 参照速度 | 限制速度 | 轴承 +垫圈 | 轴承 | 基座垫圈 | ||||||
| d | D | H1 | C | C0 | Pu | A | ||||||
|
|
||||||||||||
| mm | kN | kN | - | r/min | kg | - | ||||||
|
|
||||||||||||
| 100 | 210 | 98 | 371 | 1060 | 31,5 | 5,8 | 950 | 1400 | 18,0 | 53420 M | U420 | |
此轴承 样本图纸
同品牌推荐
轴承广泛应用于:混凝土搅拌机 空气干燥机 螺杆冷冻机 传质设备 破碎设备 电镀设备 磁性分离器 缝后设备 门式起重机 充填机械 工程机械配件 制砖机械 管式换热器 划线车 电脑绣花机 等领域。
