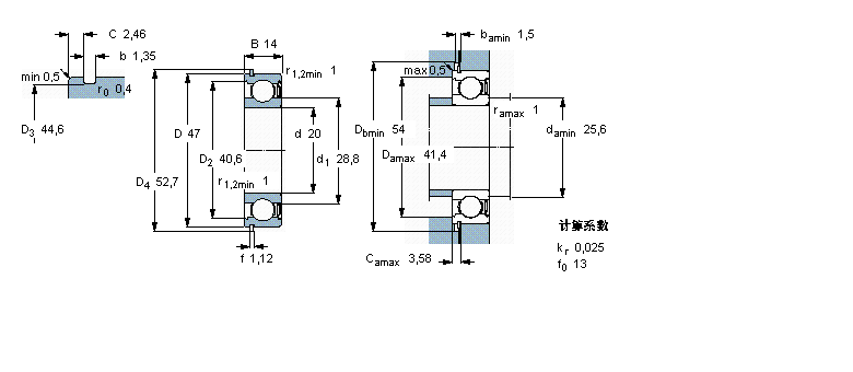
6204-ZNR轴承
6204-ZNR轴承(内径:20 外径:47厚度:14的深沟球轴承),6204-ZNR轴承是苏州凯诺永晟提供的SKF品牌轴承,
此外我公司还为您推荐各种国产、其他进口品牌替换6204-ZNR轴承。公司承载着“以质量为本,服务为路线”的道路深得各机械行业公司的信任!
更多高转速、高载荷等适用于极限环境的轴承库存现货,请致电“0512-57922999”咨询!
| 深沟球轴承, 单列,带止动环槽, 单面防尘罩 | |||||||||||
| 公差 , 参见文字 | |||||||||||
| 径向内部游隙 , 参见文字 | |||||||||||
| 推荐配合 | |||||||||||
| 轴和轴承座公差 | |||||||||||
|
|
|||||||||||
| 主要数据尺寸 | 基本负荷额定值 | 疲劳负荷限值 | 额定速度 | 体积 | 型号 | ||||||
| 动态 | 静态 | 参照速度 | 限制速度 | 轴承 | 止动环 | ||||||
| (R = 带止动环) | |||||||||||
| d | D | B | C | C0 | Pu | * - SKF Explorer 轴承 | |||||
|
|
|||||||||||
| mm | kN | kN | r/min | kg | - | ||||||
|
|
|||||||||||
| 20 | 47 | 14 | 13,5 | 6,55 | 0,28 | 32000 | 20000 | 0,11 | 6204-ZNR * | SP 47 | |
此轴承 样本图纸
同品牌推荐
轴承广泛应用于:管式换热器 充磁机 化工成型设备 手轮 凿岩机 食品、饮料加工设备 油墨混合设备 卧式减速机 电脑绣花机 医护辅助设备 服装机械设备 塔式反应器 注塑机配件 冷冻机 吸收器 等领域。
