BCSB316283A轴承
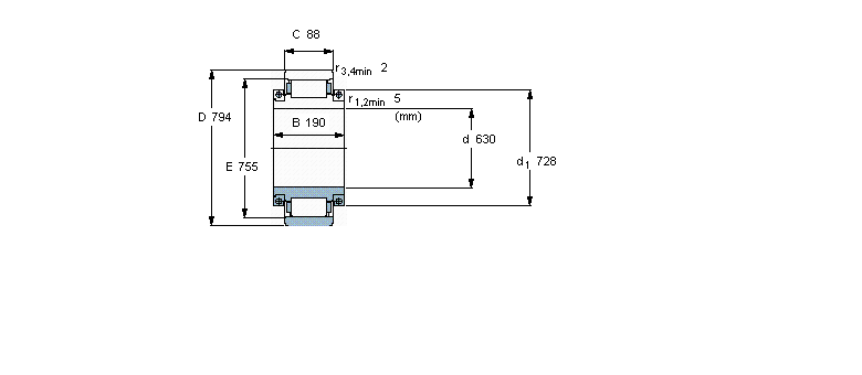
BCSB316283A轴承(内径:630 外径:794厚度:190的圆柱滚子轴承),BCSB316283A轴承是苏州凯诺永晟提供的SKF品牌轴承,
此外我公司还为您推荐各种国产、其他进口品牌替换BCSB316283A轴承。公司承载着“以质量为本,服务为路线”的道路深得各机械行业公司的信任!
更多高转速、高载荷等适用于极限环境的轴承库存现货,请致电“0512-57922999”咨询!
| 圆柱滚子轴承, 剖分式单列 | |||||||||||
| 公差, 参见文字 | |||||||||||
| 径向内部间隙, 参见文字 | |||||||||||
|
|
|||||||||||
| 主要数据尺寸 | 基本负荷额定值 | 疲劳负荷限值 | 径向内部游隙 | 体积 | 型号 | ||||||
| 动态 | 静态 | ||||||||||
| d | D | B | C | C | C0 | Pu | 最小 | 最大 | |||
|
|
|||||||||||
| mm | kN | kN | mm | kg | - | ||||||
|
|
|||||||||||
| 630 | 794 | 190 | 88 | 1760 | 4300 | 335 | 0,38 | 0,5 | 160 | BCSB 316283 A | |
此轴承 样本图纸
同品牌推荐
轴承广泛应用于:电子产品制造设备 杀菌机 立式干燥机 蒸发器 热熔胶机 台车炉 缝后设备 化工成型设备 药用粉碎机械 压力试验机 电泳槽 米面机械 金属包装机械 食品杀菌设备 电阻焊机 等领域。
