BEAM050140-2Z轴承
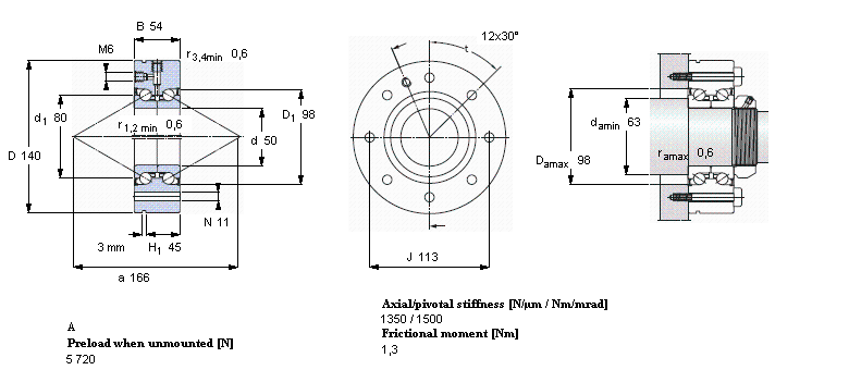
BEAM050140-2Z轴承(内径:50 外径:140厚度:54的角接触推力球轴承 for screw drives),BEAM050140-2Z轴承是苏州凯诺永晟提供的SKF品牌轴承,
此外我公司还为您推荐各种国产、其他进口品牌替换BEAM050140-2Z轴承。公司承载着“以质量为本,服务为路线”的道路深得各机械行业公司的信任!
更多高转速、高载荷等适用于极限环境的轴承库存现货,请致电“0512-57922999”咨询!
| 角接触推力球轴承 for screw drives, double direction, for bolt mounting | ||||||||||
| 公差, inner rings, outer rings, see also text | ||||||||||
| Preload, see specific bearing, see also text | ||||||||||
| Shaft fits, housing fits | ||||||||||
| 轴和轴承座公差 | ||||||||||
|
|
||||||||||
| 主要数据尺寸 | 基本负荷额定值 | 疲劳负荷限值 | Attainable speed | 体积 | 型号 | |||||
| 动态 | 静态 | SKF | SNFA | |||||||
| d | D | H | C | C0 | Pu | |||||
|
|
||||||||||
| mm | kN | kN | r/min | kg | - | |||||
|
|
||||||||||
| 50 | 140 | 54 | 112 | 250 | 9,3 | 2800 | 4,70 | BEAM 050140-2Z | BEAM 50/140/Z 7P60 | |
此轴承 样本图纸
同品牌推荐
轴承广泛应用于:立式泵 矿业元素分析仪 海德堡印刷机 橡胶贴合机 矿业测量仪器 卧式橡胶机械 陶瓷生产线 饼干机械 航空航天 卷板机床 斗式提升机 玻璃机械 冷冻机 污水处理设备 压片机 等领域。
