BS2B242989轴承
BS2B242989轴承(内径:630 外径:920厚度:310的球面滚子轴承),BS2B242989轴承是苏州凯诺永晟提供的SKF品牌轴承,
此外我公司还为您推荐各种国产、其他进口品牌替换BS2B242989轴承。公司承载着“以质量为本,服务为路线”的道路深得各机械行业公司的信任!
更多高转速、高载荷等适用于极限环境的轴承库存现货,请致电“0512-57922999”咨询!
| 球面滚子轴承, 剖分式 | |||||||||
| 公差 , 参见文字 | |||||||||
| 径向内部游隙 , 参见文字 | |||||||||
| 推荐配合, 参见文字 | |||||||||
| 轴和轴承座公差 | |||||||||
|
|
|||||||||
| 主要数据尺寸 | 基本负荷额定值 | 疲劳负荷限值 | 体积 | 型号 | |||||
| 动态 | 静态 | ||||||||
| d | D | B | C | C | C0 | Pu | |||
|
|
|||||||||
| mm | kN | kN | kg | - | |||||
|
|
|||||||||
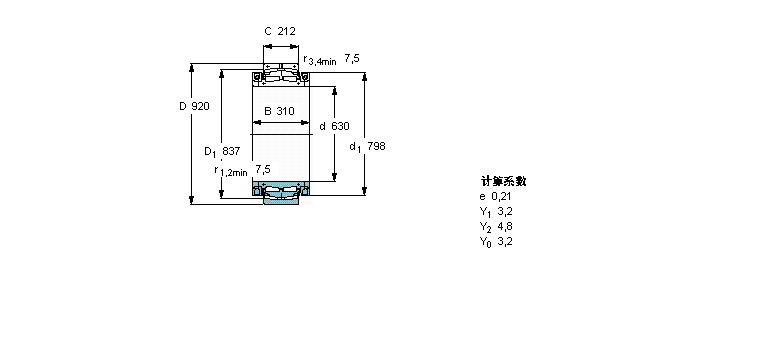
| 630 | 920 | 310 | 212 | 5640 | 12000 | 570 | 630 | BS2B 242989 | |
此轴承 样本图纸
同品牌推荐
轴承广泛应用于:机械通风冷却塔 炼钢设备 皮带轮 爆破设备 消防泵 注塑机配件 注塑机 织造机械 钻套 冲孔机 减速机 印染整机械与设备 其他石油设备 糖衣机 涂装除尘设备 等领域。
