BS2B243124轴承
BS2B243124轴承(内径:850 外径:1120厚度:390的球面滚子轴承),BS2B243124轴承是苏州凯诺永晟提供的SKF品牌轴承,
此外我公司还为您推荐各种国产、其他进口品牌替换BS2B243124轴承。公司承载着“以质量为本,服务为路线”的道路深得各机械行业公司的信任!
更多高转速、高载荷等适用于极限环境的轴承库存现货,请致电“0512-57922999”咨询!
| 球面滚子轴承, 剖分式 | |||||||||
| 公差 , 参见文字 | |||||||||
| 径向内部游隙 , 参见文字 | |||||||||
| 推荐配合, 参见文字 | |||||||||
| 轴和轴承座公差 | |||||||||
|
|
|||||||||
| 主要数据尺寸 | 基本负荷额定值 | 疲劳负荷限值 | 体积 | 型号 | |||||
| 动态 | 静态 | ||||||||
| d | D | B | C | C | C0 | Pu | |||
|
|
|||||||||
| mm | kN | kN | kg | - | |||||
|
|
|||||||||
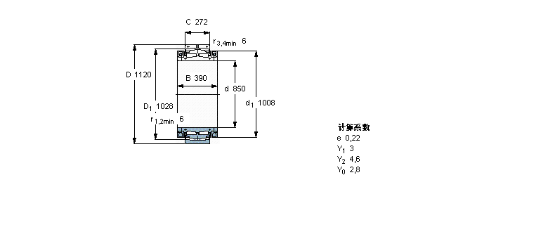
| 850 | 1120 | 390 | 272 | 7360 | 20800 | 1220 | 830 | BS2B 243124 | |
此轴承 样本图纸
同品牌推荐
轴承广泛应用于:玻璃反应釜 箱式干燥设备 滴丸机 场上作业机械 风冷式冷冻机 炊事设备 节能焊机 电子元件成型机 塑料管材设备 插床 洗涤、烘干设备 压送式喷枪 橡胶成型机 耐材及炉窑 混凝土搅拌机 等领域。
