KMT19轴承
KMT19轴承(内径:95 外径:120厚度:32的带锁紧销的KMT精密锁紧定螺母),KMT19轴承是苏州凯诺永晟提供的SKF品牌轴承,
此外我公司还为您推荐各种国产、其他进口品牌替换KMT19轴承。公司承载着“以质量为本,服务为路线”的道路深得各机械行业公司的信任!
更多高转速、高载荷等适用于极限环境的轴承库存现货,请致电“0512-57922999”咨询!
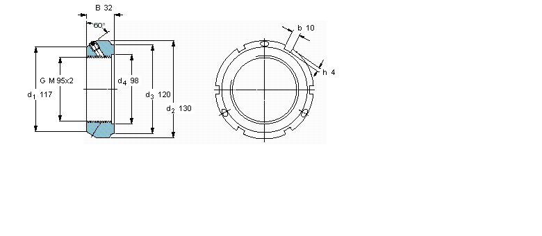
| 带锁紧销的KMT精密锁紧定螺母 | ||||||||||
|
|
||||||||||
| 螺纹尺寸 | 尺寸 | 轴向负荷 | 体积 | 型号 | 平头螺钉 | |||||
| 承载能力 | 锁定螺母 | 适宜的板手 | 尺寸 | 推荐的紧固扭矩 | ||||||
| d3 | B | G | 静态 | |||||||
|
|
||||||||||
| - | mm | - | kN | kg | - | - | - | Nm | ||
|
|
||||||||||
| 95 | 120 | 32 | M 95x2 | 710 | 1,25 | KMT 19 | HN 18-20 | M 10 | 35 | |
此轴承 样本图纸
同品牌推荐
轴承广泛应用于:疲劳试验机 板式换热器 自动焊机 电镀设备 食用油加工设备 硫化罐 其它未分类 塑料和橡胶工业 卷板机床 热熔胶机 塑料压延机 口服液制药设备 空心桨叶干燥机 食品混合设备 振动试验机 等领域。
